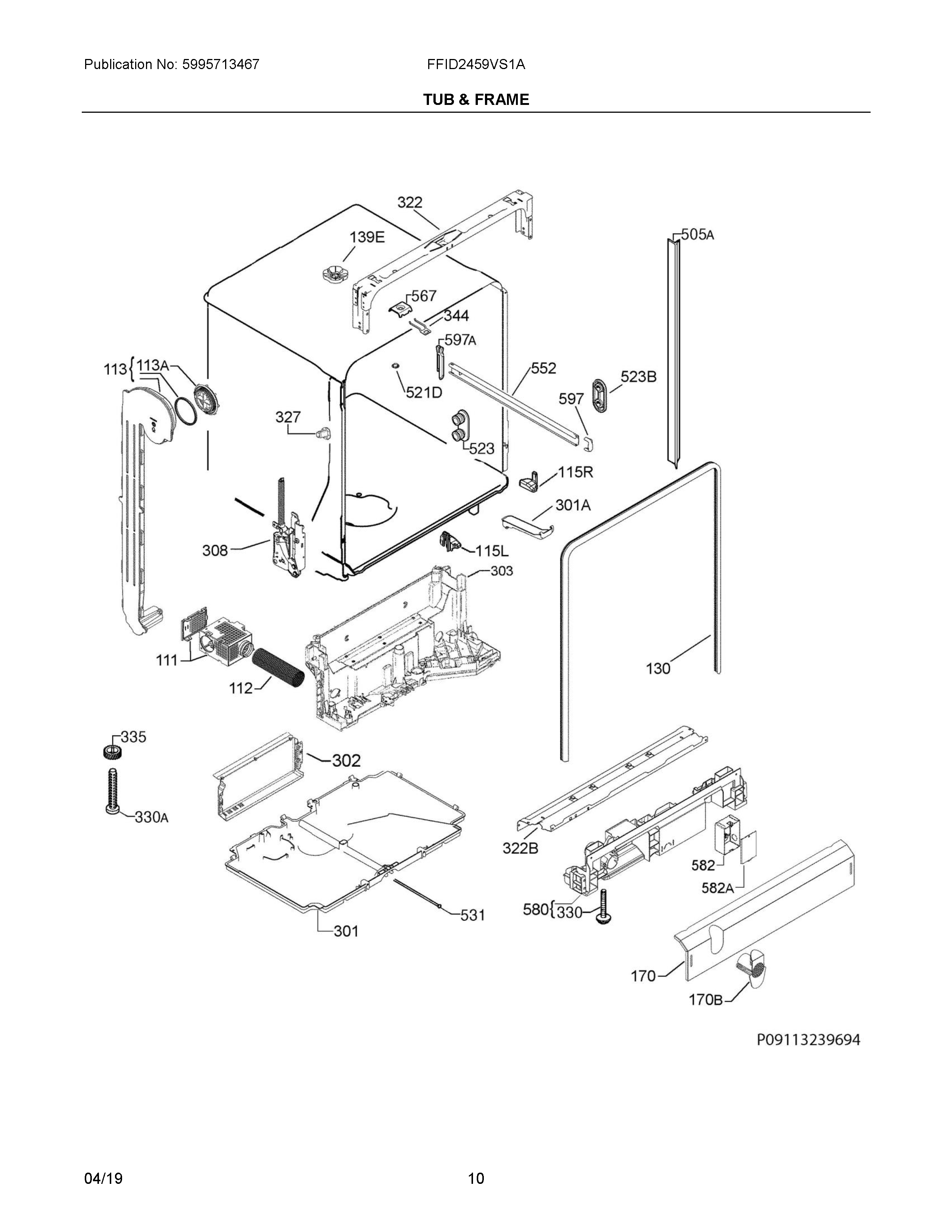
FFID2459VS1A 06 – TUB & FRAMEadmin2025-04-26T10:35:28+00:00FFID2459VS1A 06 – TUB & FRAME ProductsPositionProductNI405546374 Frigidaire Screw KitNI405531515 Frigidaire Dishwasher Mounting KitNI405530687 Frigidaire Screw1115304509259 Frigidaire Dishwasher Housing Assembly112A05660505 Frigidaire Dishwasher Hose113405537600 Frigidaire Dishwasher Air Duct113AA06525801 Frigidaire Dishwasher Outlet115RA11462602 Frigidaire Dishwasher Bridge115LA11462601 Frigidaire Dishwasher Bridge130117158011 Frigidaire Dishwasher Door Seal Gasket139E807240301 Frigidaire Dishwasher Nut170BA05936001 Frigidaire Dishwasher Outlet170405537597 Frigidaire Dishwasher Insulation Kit301A405513837 Frigidaire Dishwasher OVERFlow Hose301807104203 Frigidaire Dishwasher Tray302A00075002 Frigidaire Dishwasher Cover303A01868606 Frigidaire Dishwasher Base Assembly308405539931 Frigidaire Dishwasher Hinge Assembly322A00166801 Frigidaire Dishwasher Crossbar322B117156109 Frigidaire Cross Piece327117427700 Frigidaire Dishwasher Clip330152661702 Frigidaire Dishwasher Foot330A117363200 Frigidaire Dishwasher Foot335152714200 Frigidaire Dishwasher COG344152234405 Frigidaire Dishwasher Latch505A808470401 Frigidaire Dishwasher Trim521D152657610 Frigidaire PLUG523405526079 Frigidaire Dishwasher Roller Assembly523B152122010 Frigidaire Dishwasher Holder531A00021003 Frigidaire Dishwasher Screw552A00212701 Frigidaire Dishwasher Rail567152323603 Frigidaire Dishwasher Bracket580A04472907 Frigidaire Cover582AA03337103 Frigidaire Dishwasher Cover Assembly582A03987801 Frigidaire Dishwasher Box597152047941 Frigidaire Dishwasher STOP597A646123406 Frigidaire Dishwasher Stop