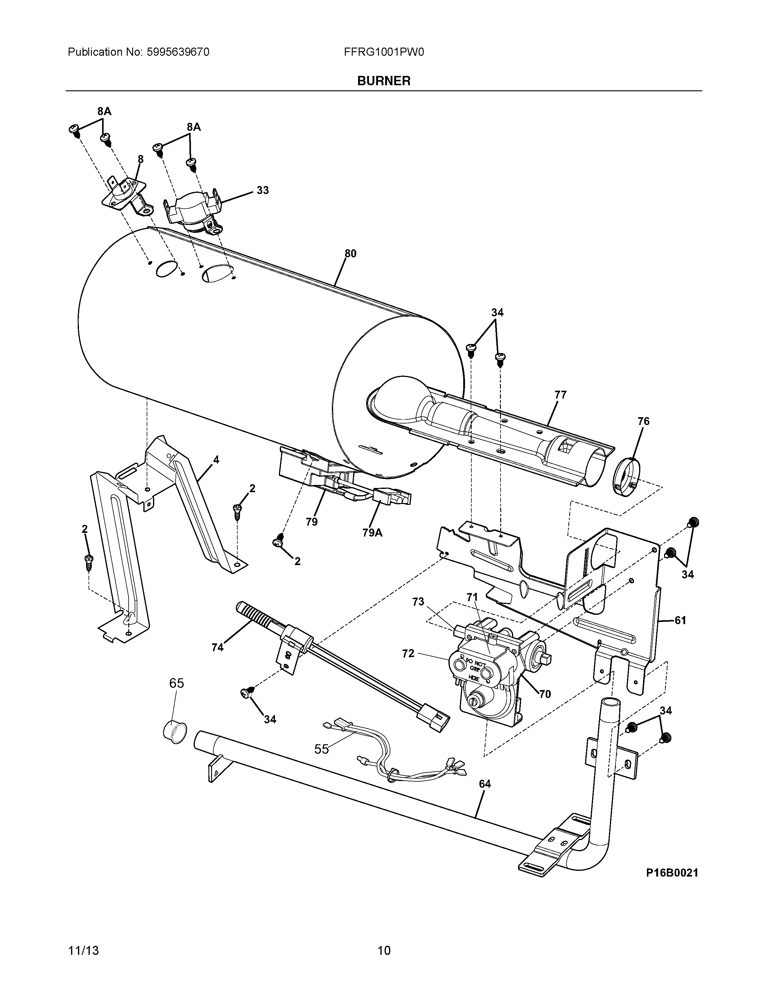
FFRG1001PW0 06 – BURNER