| *71604 | WCI 216502500 |
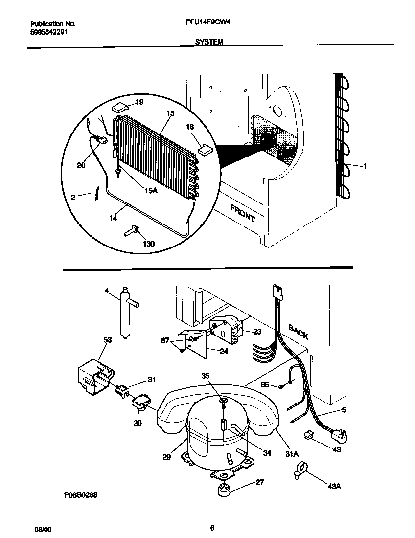
| 1 | 5300123788 Frigidaire Refrigerator Condenser |
| 2 | 5308000110 Frigidaire Refrigerator Evaporator/Heater Primary Strap |
| 4 | 5303305677 Frigidaire Replacement Filter Dryer Filters |
| 5 | WCI 216578300 |
| 14 | 5304496687 Frigidaire Refrigerator Defrost Heater |
| 15 | 297348500 Frigidaire Heat Exchange |
| 15 | 297414800 Frigidaire Refrigerator Evaporator |
| 18 | WCI 216727600 |
| 19 | WCI 216727700 |
| 20 | 297216600 Frigidaire Refrigerator Defrost Thermostat |
| 23 | 5304518034 Frigidaire Refrigerator Defrost Timer |
| 24 | WCI 08016580 |
| 27 | 216498900 Frigidaire Refrigerator Grommet |
| 29 | 5304507765 Frigidaire Refrigerator Compressor Kit |
| 30 | 5304413178 Frigidaire Refrigerator Electric Relay Assembly Primary |
| 31 | WCI 216100116 |
| 31 | 5304428401 Frigidaire Refrigerator Pan Kit |
| 34 | SLEEVE-COMPRESSOR |
| 35 | SCREW, LND HEX SEMS, 1/4-28 UNFX, COMPRESSOR |
| 43 | 297315800 Frigidaire Refrigerator Clip |
| 43 | WCI 09950610 |
| 53 | WCI 216347800 |
| 86 | 216036601 Frigidaire Refrigerator Screw |
| 87 | SCREW |
| 130 | WCI 216730400 |