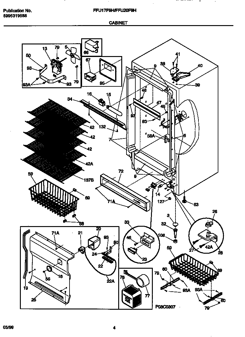
FFU17F9HW0 03 – CABINET