| *49045 | 5303006412 Frigidaire Refrigerator Cover Mounting Strap |
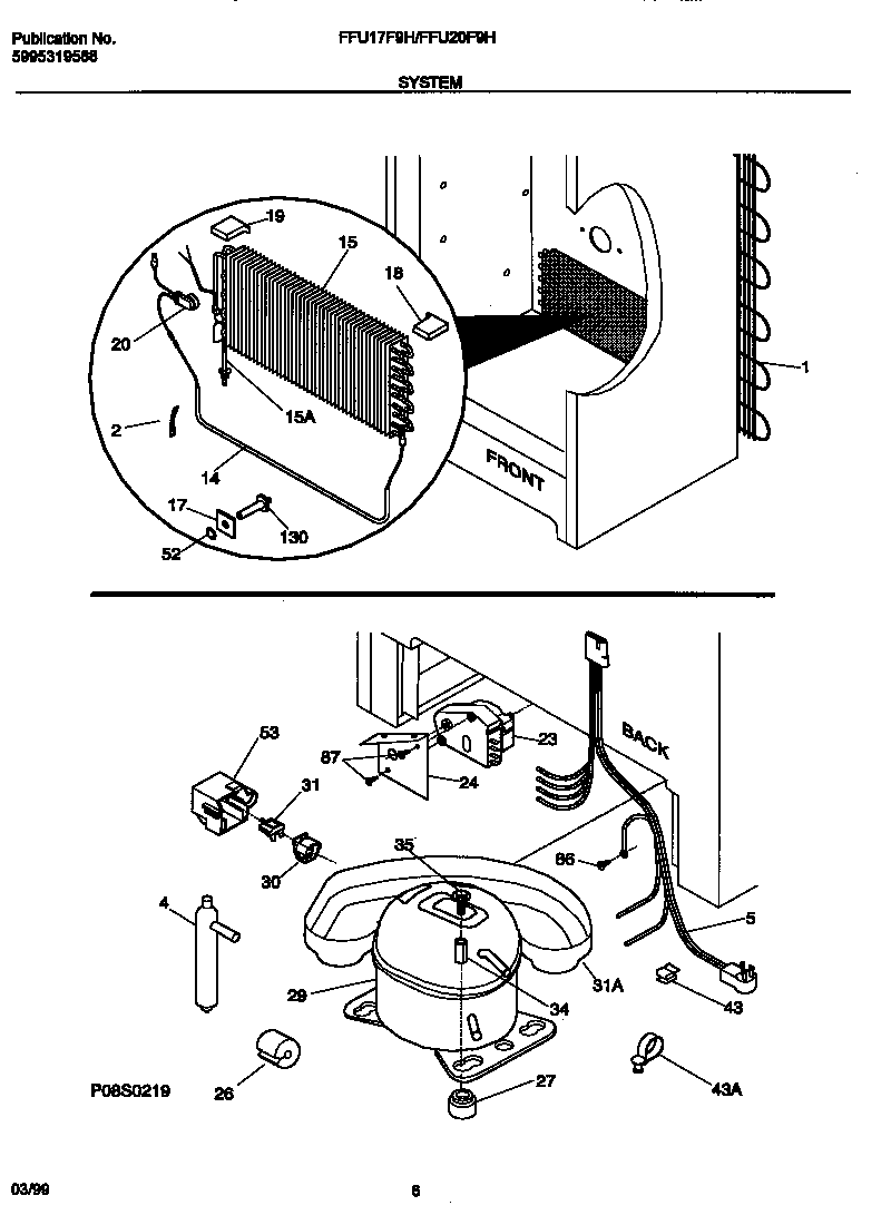
| 1 | 5300083897 Frigidaire Refrigerator Condenser P1 O/S2 |
| 2 | 5308000110 Frigidaire Refrigerator Evaporator/Heater Primary Strap |
| 4 | 5303305677 Frigidaire Replacement Filter Dryer Filters |
| 5 | WCI 216660900 |
| 14 | 216608500 Frigidaire Refrigerator Defrost Heater Assembly |
| 15 | WCI 216195900 |
| 15 | WCI 216385200 |
| 17 | WCI 06599546 |
| 18 | WCI 06599531 |
| 19 | WCI 3017674 |
| 20 | 5303917954 Frigidaire Refrigerator Defrost Limit Thermostat Kit |
| 23 | 5304518034 Frigidaire Refrigerator Defrost Timer |
| 24 | WCI 08016580 |
| 26 | WCI 216511900 |
| 27 | 216498900 Frigidaire Refrigerator Grommet |
| 29 | 5304511983 Frigidaire Refrigerator Compressor Assembly Kit |
| 30 | 216594300 Frigidaire Refrigerator Starter |
| 31 | 5304428401 Frigidaire Refrigerator Pan Kit |
| 31 | WCI 216100115 |
| 34 | SLEEVE-COMPRESSOR |
| 35 | SCREW, LND HEX SEMS, 1/4-28 UNFX, COMPRESSOR |
| 43 | WCI 09950610 |
| 43 | 297315800 Frigidaire Refrigerator Clip |
| 52 | WCI 08013198 |
| 53 | WCI 08006982 |
| 86 | 216036601 Frigidaire Refrigerator Screw |
| 87 | SCREW |
| 130 | WCI 06599544 |