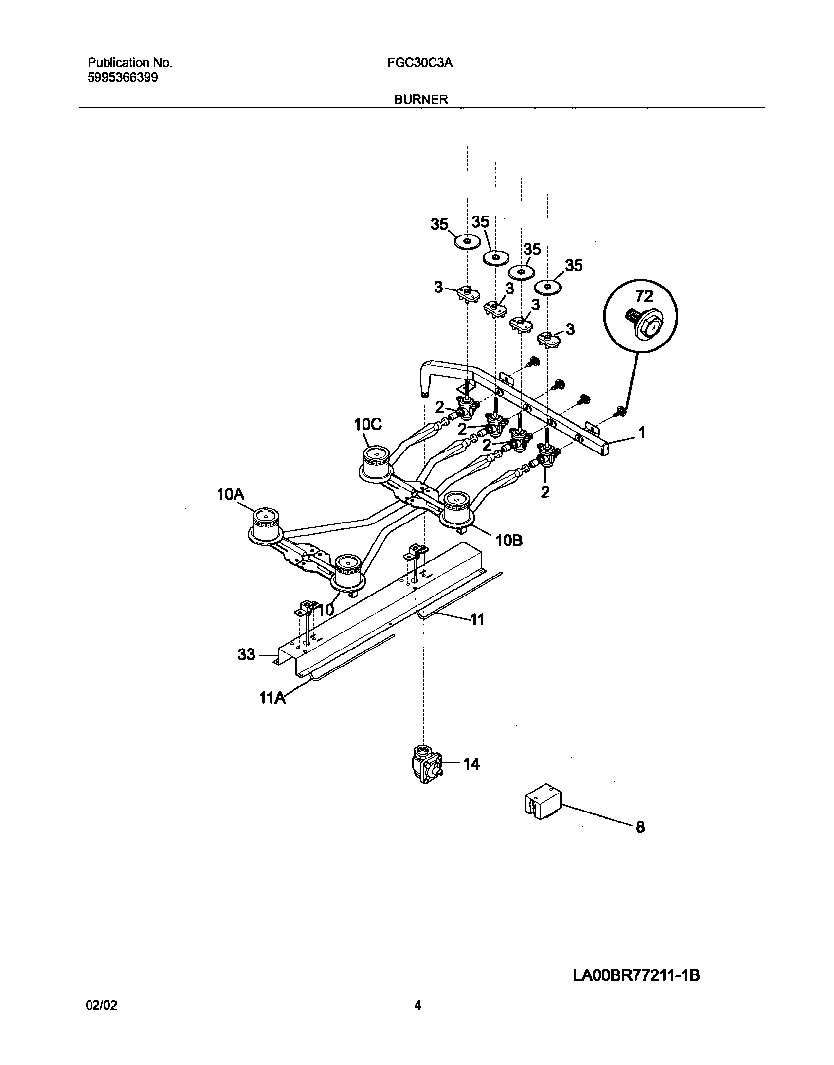
FGC30C3AUB 05 – BURNER