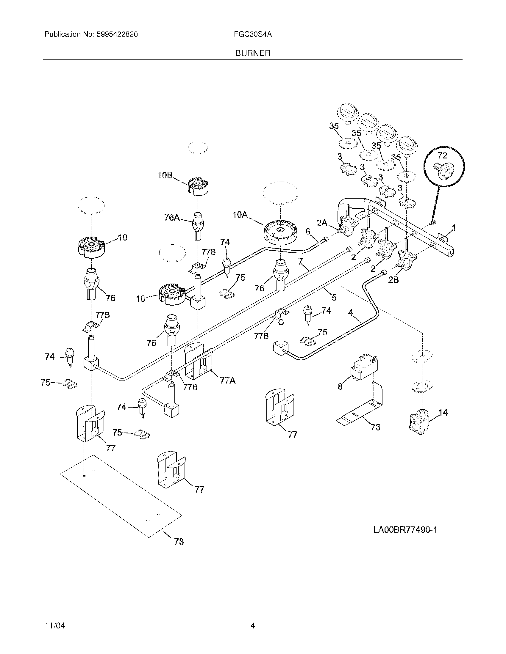
FGC30S4AQC 05 – BURNER