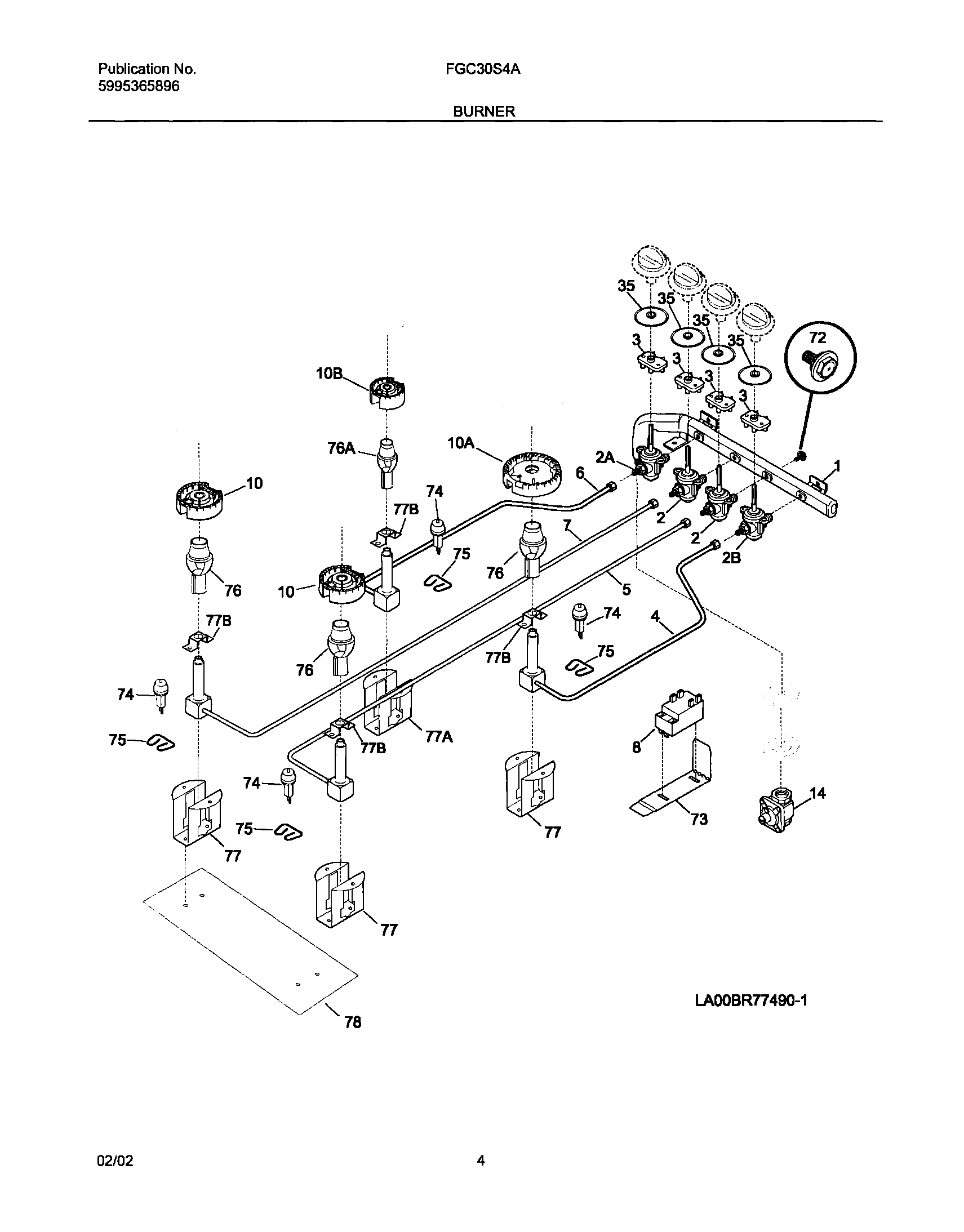
| NI | 5303311174 Frigidaire Oven Screw |
| NI | LP Conversion Kit |
| NI | 5304403558 Frigidaire Oven Screw |
| NI | 5303307980 Frigidaire Oven Screw |
| 1 | WCI 318177003 |
| 2B | WCI 318087040 |
| 2 | WCI 5303935042 |
| 2A | WCI 318087001 |
| 3 | SWITCH-IGNITOR |
| 4 | WCI 318167714 |
| 5 | Tube,burner ,LF |
| 6 | Tube,burner ,RR |
| 7 | Tube,burner ,LR |
| 8 | 5304505695 Frigidaire Oven Module |
| 10B | WCI 318148000 |
| 10 | WCI 318148001 |
| 10A | WCI 318148002 |
| 14 | 5308007974 Frigidaire Pressure Regulator |
| 35 | WCI 318146300 |
| 72 | WCI 5303323141 |
| 73 | WCI 318024201 |
| 74 | 318148700 Frigidaire Igniter P1 |
| 75 | WCI 318148800 |
| 76 | 318167801 Frigidaire Oven Tube |
| 76A | WCI 318167800 |
| 77B | WCI 318180900 |
| 77A | WCI 318112000 |
| 77 | WCI 318112010 |
| 78 | WCI 318160900 |