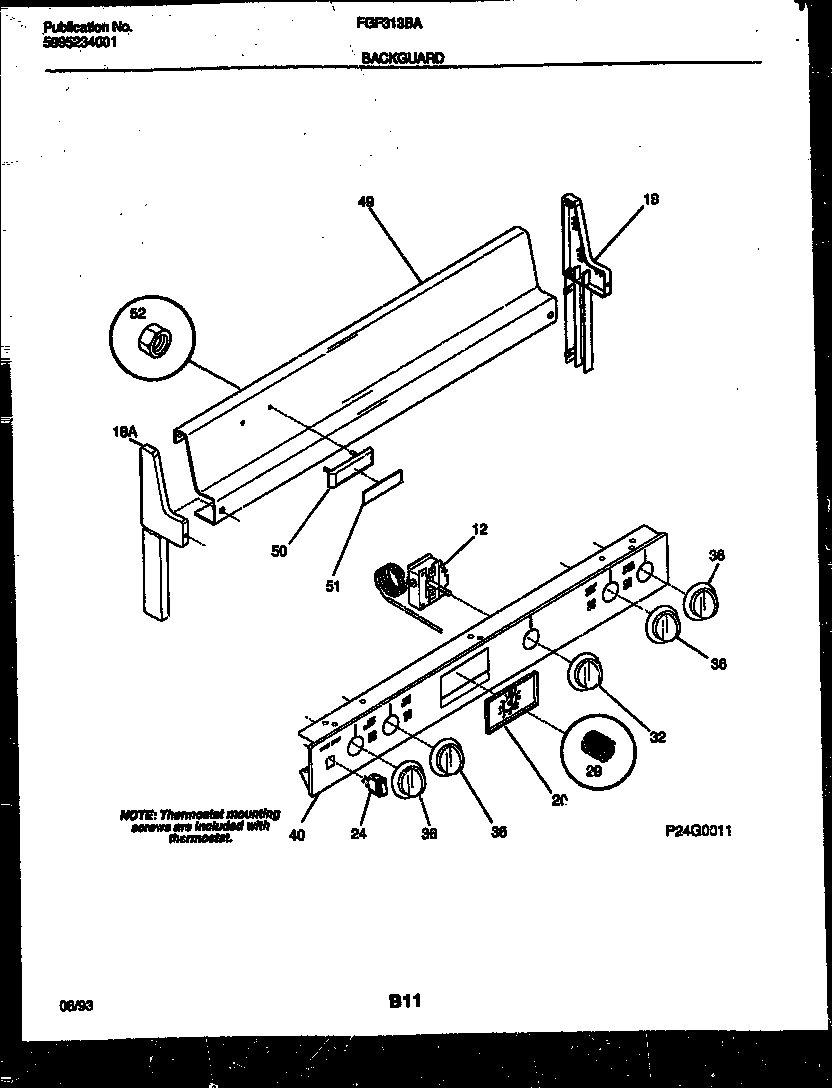
FGF313BAWA 02 – BACKGUARDadmin2025-04-26T11:35:50+00:00FGF313BAWA 02 – BACKGUARD ProductsPositionProduct12316032411 Frigidaire Stove Temperature Control Thermostat18ACAP-END LH18CAP-END RH20WCI 316041201245304527841 Frigidaire Oven Rocker Switch (Black)29WCI 31602900032WCI 31605360036WCI 31604930040WCI 31600880149PNL-BACKGRD-WHITE50WCI 305111351WCI 31600660952NUT, TWIST