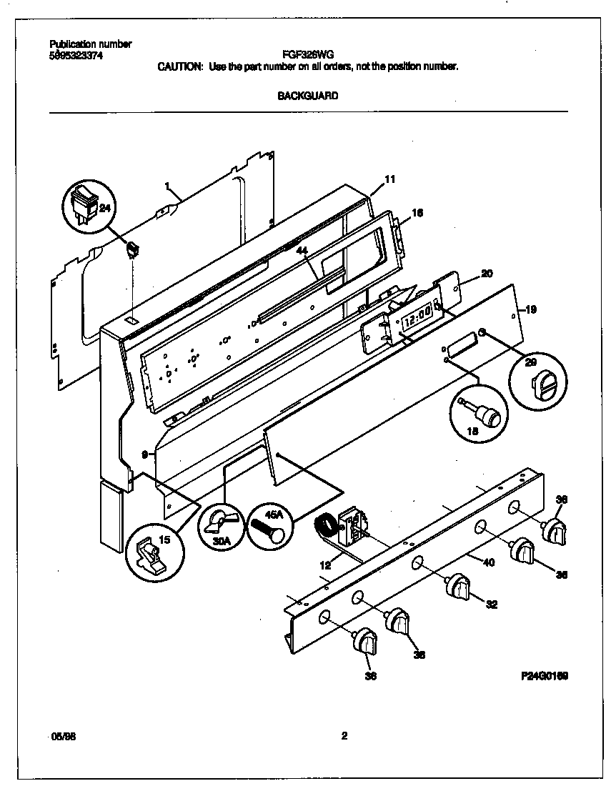
FGF326WGSD 02 – BACKGUARDadmin2025-04-26T10:53:00+00:00FGF326WGSD 02 – BACKGUARD ProductsPositionProduct*69682316021109 Frigidaire Oven Screw*69681Screw,cup pt ,8-18 x 0.375 ,chrome*69684316112500 Frigidaire Oven Template1SHIELD-BACKGUARD,REAR WALL9WCI 31604361111WCI 31608371612316032411 Frigidaire Stove Temperature Control Thermostat15SUPPORT-BACKGUARD,(2)16WCI 31604260118WCI 31601730319WCI 31603413120WCI 316113200245304527842 Frigidaire Rocker Switch29WCI 31602840230WCI 31606430032316102303 Frigidaire P-1 Knob36WCI 31600903640WCI 31606235444WCI 313146845BOLT-FASTENER,NYLON ,WHITE