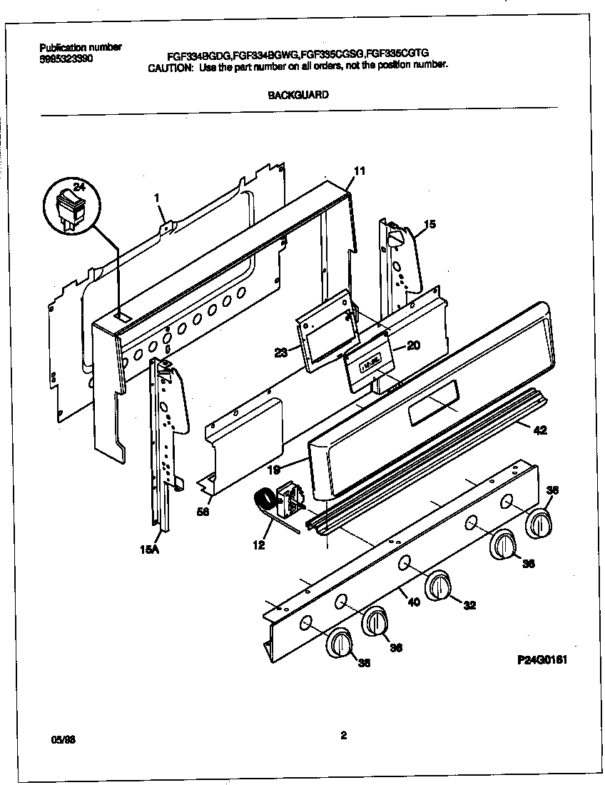
FGF334BGWG 02 – BACKGUARDadmin2025-04-26T10:56:00+00:00FGF334BGWG 02 – BACKGUARD ProductsPositionProduct*48325WCI 316098007*48321316021109 Frigidaire Oven Screw*48320Screw,cup pt ,8-18 x 0.375 ,chrome*48322WCI 316105822*48324316112500 Frigidaire Oven Template1SHIELD-BACKGUARD, REAR WALL11Trim-wrapper,black ,textured,w/hole12316032411 Frigidaire Stove Temperature Control Thermostat15WCI 31602310815WCI 31602310919WCI 31610053120WCI 31612050023WCI 316033204245304527841 Frigidaire Oven Rocker Switch (Black)32WCI 31610950636KNOB-TOP VALVE,BLACK40WCI 31608683142WCI 31605520056WCI 316074907