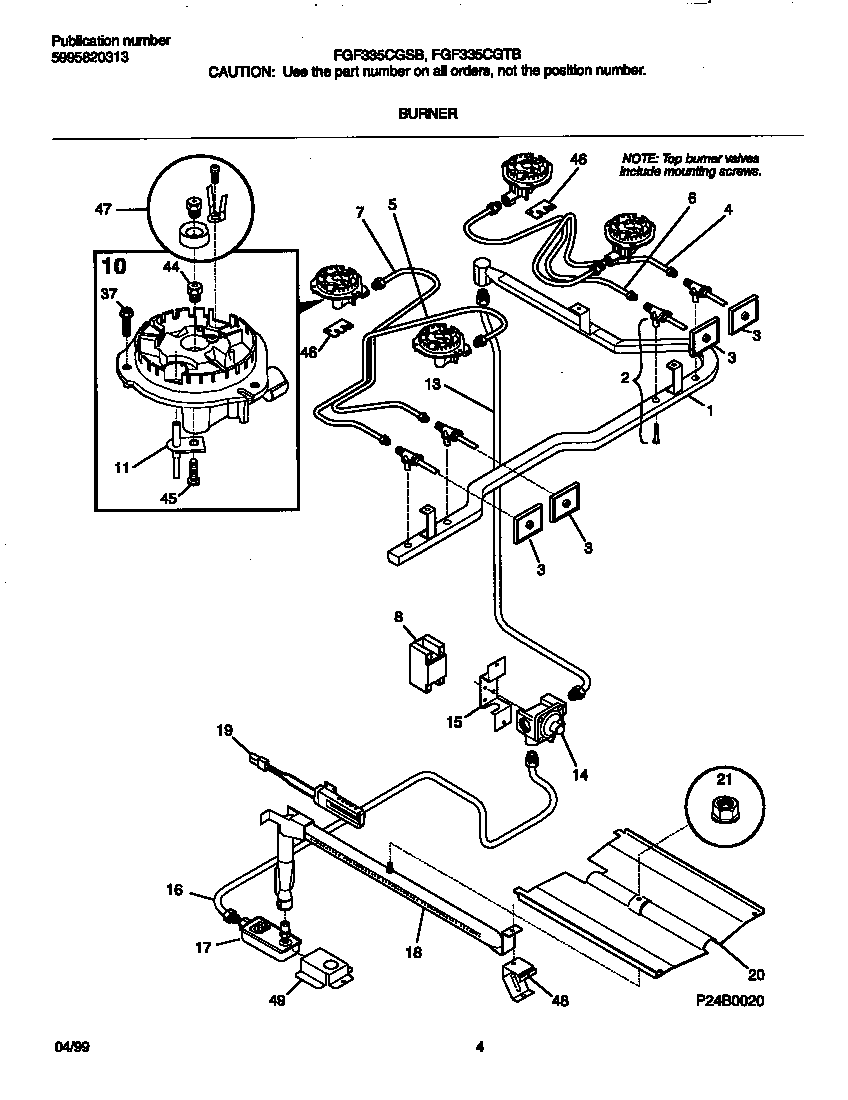
FGF335CGSB 03 – BURNER