| *45254 | 316064600 Frigidaire Oven Support |
| *45255 | SCREW-HEAT SHIELD, HD SHLDR SQDR, 8-18 X 1/2 |
| *45253 | Screw,cup pt ,8-18 x 0.375 ,chrome |
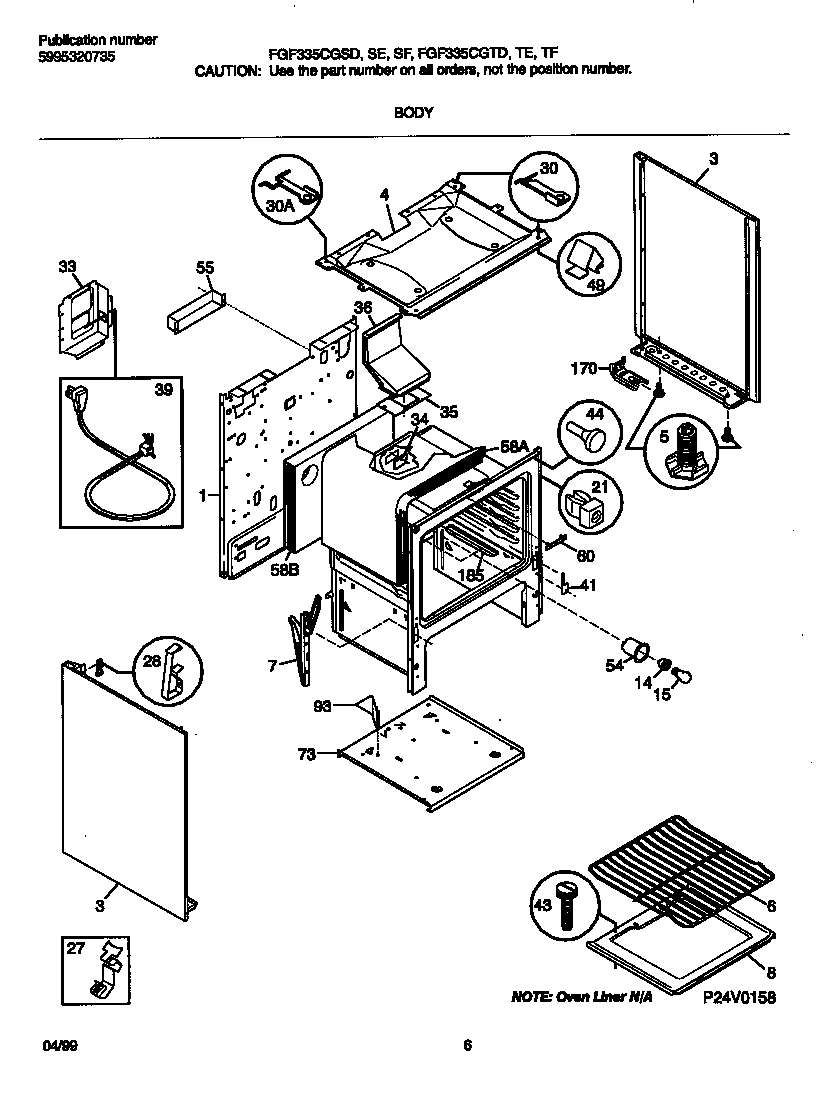
| 1 | WCI 316029412 |
| 3B | WCI 316081037 |
| 3A | WCI 316081036 |
| 4 | WCI 316011914 |
| 5 | WCI 316107300 |
| 6 | 316067902 Frigidaire Oven Rack |
| 7 | Hinge,oven door ,(2) |
| 8 | BTTM-OVEN |
| 9 | WCI 316073800 |
| 10 | WCI 3205234 |
| 14 | 316116400 Frigidaire Oven Light Socket |
| 15 | 316538904 Frigidaire Oven Lamp Light |
| 21 | SPACER-BODYSIDE, (8) |
| 27 | 5303284616 Frigidaire Range Bulb Clip Thermostat |
| 28 | CLIP-WIRE |
| 30 | WCI 316059200 |
| 30 | WCI 316059201 |
| 33 | WCI 316055601 |
| 34 | COVER-IGNITOR |
| 35 | 316542102 Frigidaire Flue Gasket |
| 36 | WCI 5303273108 |
| 39 | 5304515659 Frigidaire Oven Power Cord |
| 41 | WCI 3131570 |
| 43 | 316282700 Frigidaire Oven Screw |
| 49 | 3205821 Frigidaire Clip |
| 54 | WCI 5303271606 |
| 55 | WCI 5303289358 |
| 58 | INSULATION, OVEN WRAPPER |
| 58 | INSUL - OVEN BACK (NON-ILLUSTRATED) |
| 60A | 316021105 Frigidaire Oven Screw |
| 60B | COVER-OVEN FRONT |
| 73 | WCI 316109902 |
| 93 | WCI 316110000 |
| 170A | 316112005 Frigidaire Oven Anti-Tip Range Bracket Kit |
| 170B | 316116000 Frigidaire Screw |
| 185 | 316112900 Frigidaire SHIELD |