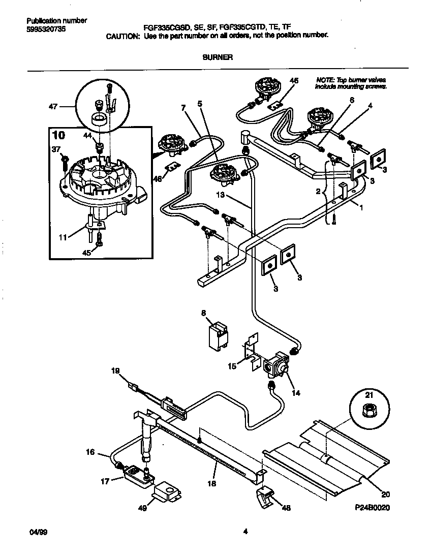
FGF335CGTE 03 – BURNER