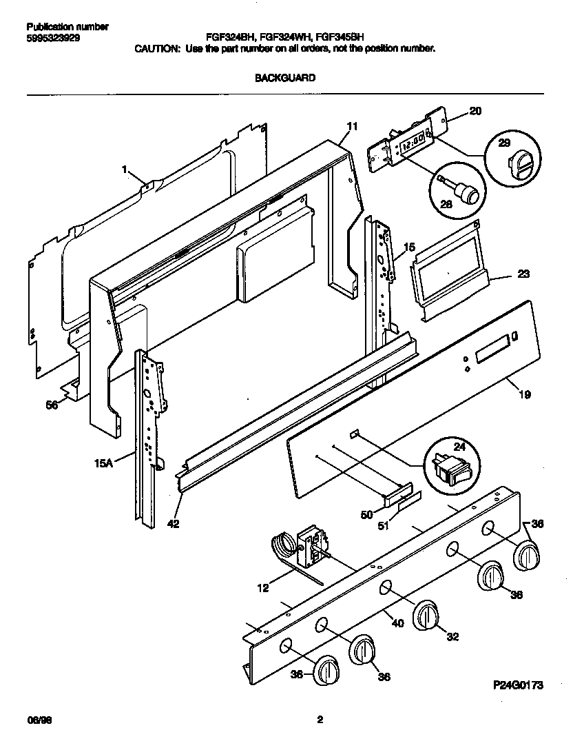
FGF345BHWA 02 – BACKGUARDadmin2025-04-26T11:40:55+00:00FGF345BHWA 02 – BACKGUARD ProductsPositionProduct*66923WCI 316097602*66924Instructions,installation*669205304530039 Frigidaire Handle Set*66925316112500 Frigidaire Oven Template*66921Screw,cup pt ,8-18 x 0.375 ,chrome*66922316021109 Frigidaire Oven Screw1SHIELD-BACKGUARD, REAR WALL11Trim-wrapper,black ,textured12316032411 Frigidaire Stove Temperature Control Thermostat15WCI 31602310815WCI 31602310919WCI 31608265220WCI 31611320023WCI 316079002245304527841 Frigidaire Oven Rocker Switch (Black)29AKNOB-TIMER BUTTON29BBUTTON-CLOCK32WCI 31610950636WCI 31610950740WCI 31606232542WCI 31608330050WCI 31609690051Nameplate,Frigidaire ,black56WCI 316074907