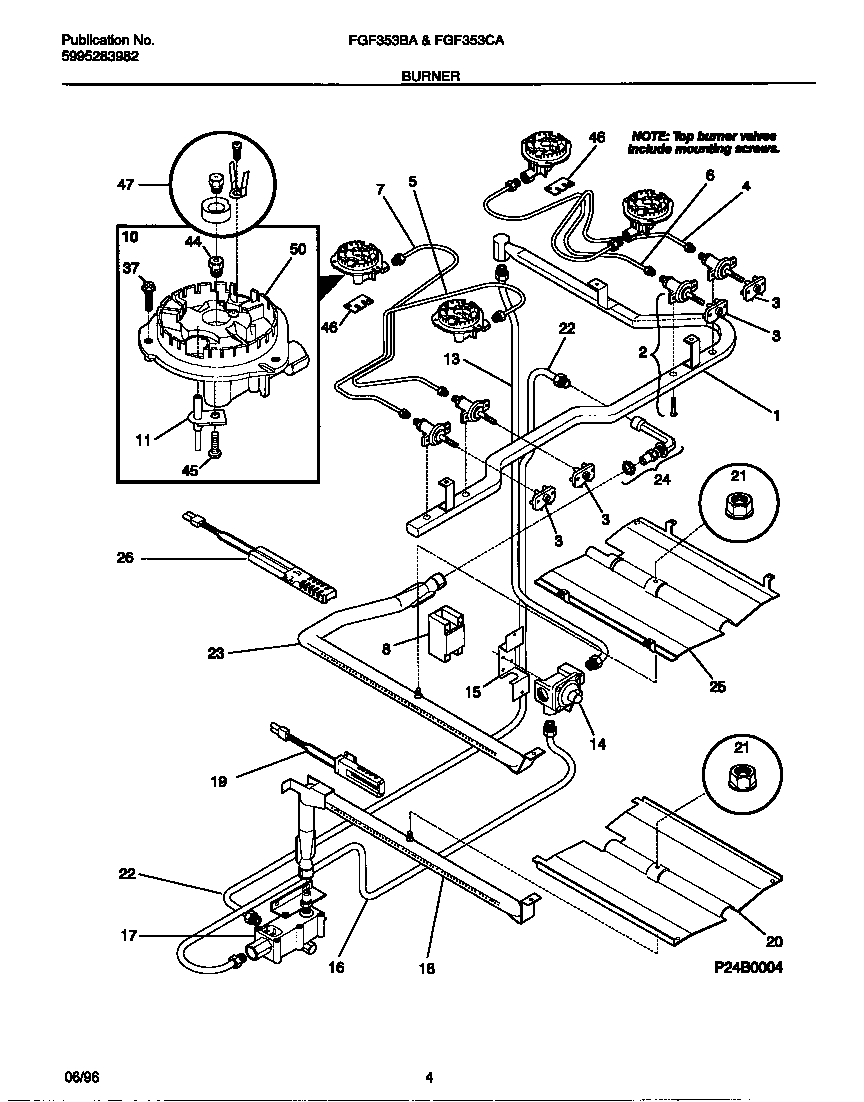
FGF353CATE 03 – BURNER