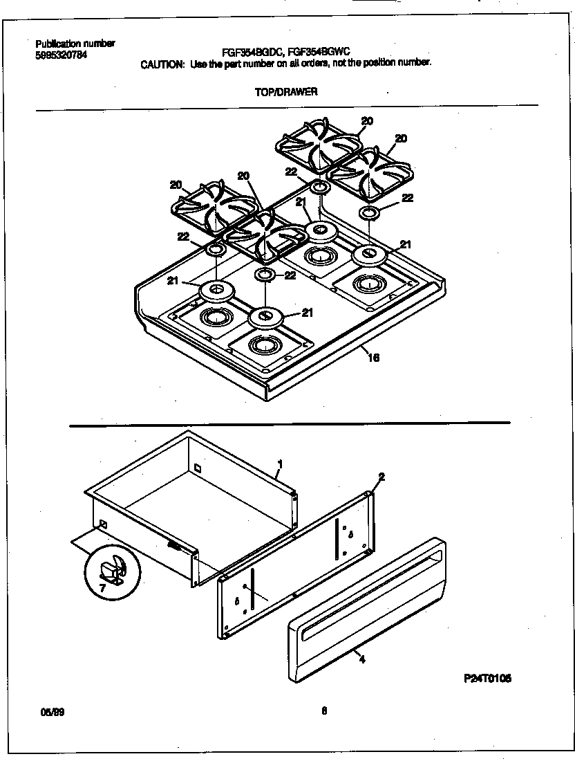
FGF354BGWC 05 – TOP/DRAWERadmin2025-04-26T10:51:49+00:00FGF354BGWC 05 – TOP/DRAWER ProductsPositionProduct*98738WCI 316089600*98735316021109 Frigidaire Oven Screw*98734Screw,cup pt ,8-18 x 0.375 ,chrome*98739WCI 53032803111DRAWER-UTILITY2SHIELD-PNL4WCI 31608440573051163 Frigidaire Oven Range Rear Broiler Drawer Glide16WCI 530330154620WCI 31608520121TRIM RING-BURNER, BLACK, SMALL, (4)22CAP-BURNER,BLACK ,SMALL