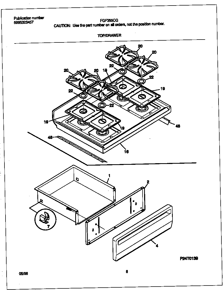
FGF355CGBC 05 – TOP/DRAWER