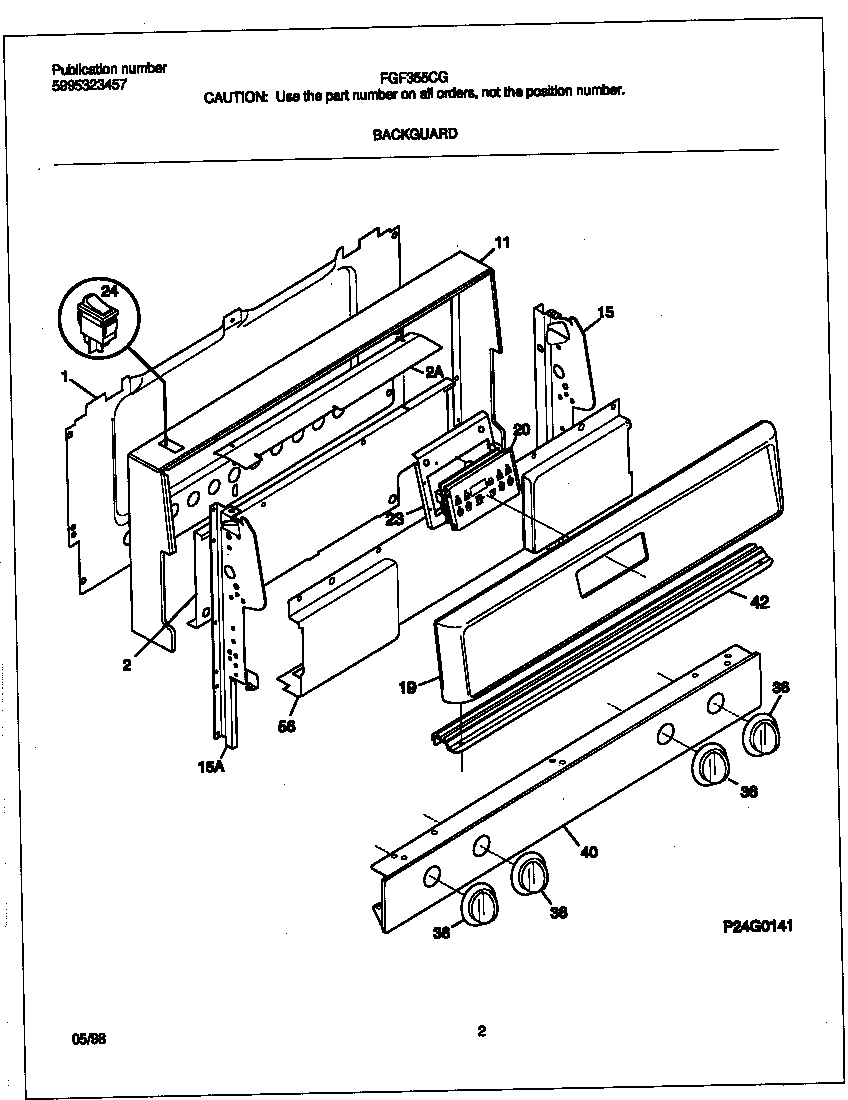
FGF355CGBD 02 – BACKGUARDadmin2025-04-26T10:50:02+00:00FGF355CGBD 02 – BACKGUARD ProductsPositionProduct*88007OVERLAY-CLOCK*88003316021109 Frigidaire Oven Screw*88002Screw,cup pt ,8-18 x 0.375 ,chrome*88001WCI 316081303*88005316112500 Frigidaire Oven Template*88004WCI 3161058221SHIELD-BACKGUARD, REAR WALL2WCI 31605380211Trim-wrapper,black ,textured,w/hole15WCI 31602310815WCI 31602310919Panel-control,black20WCI 31610100023WCI 316100300245304527841 Frigidaire Oven Rocker Switch (Black)36KNOB-TOP VALVE,BLACK40WCI 31600926842WCI 31605520056WCI 316074907