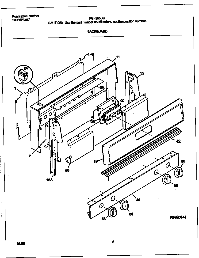
FGF355CGSD 02 – BACKGUARD