FGF355CGSD 05 – TOP/DRAWERadmin2025-04-26T10:51:32+00:00FGF355CGSD 05 – TOP/DRAWER
Products
| Position | Product |
|---|
| *88020 | WCI 316089600 |
| *88018 | 316021109 Frigidaire Oven Screw |
| *88017 | Screw,cup pt ,8-18 x 0.375 ,chrome |
| *88021 | WCI 5303280311 |
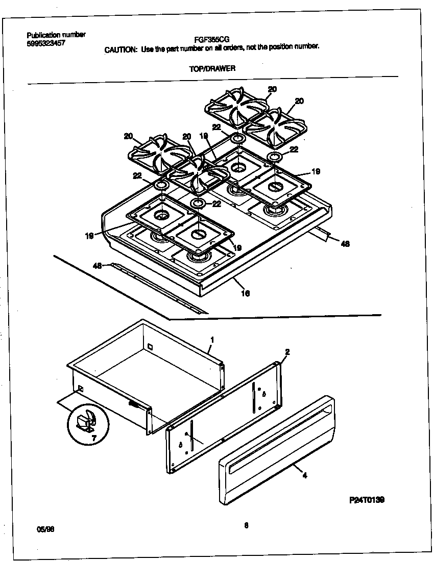
| 1 | DRAWER-UTILITY |
| 2 | SHIELD-PNL |
| 4 | WCI 316084405 |
| 7 | 3051163 Frigidaire Oven Range Rear Broiler Drawer Glide |
| 16 | WCI 5303301546 |
| 19 | Pan-burner,small ,gray |
| 20 | GRATE,GRAY ,(4) |
| 22 | Cap-burner,small ,gray ,(4) |