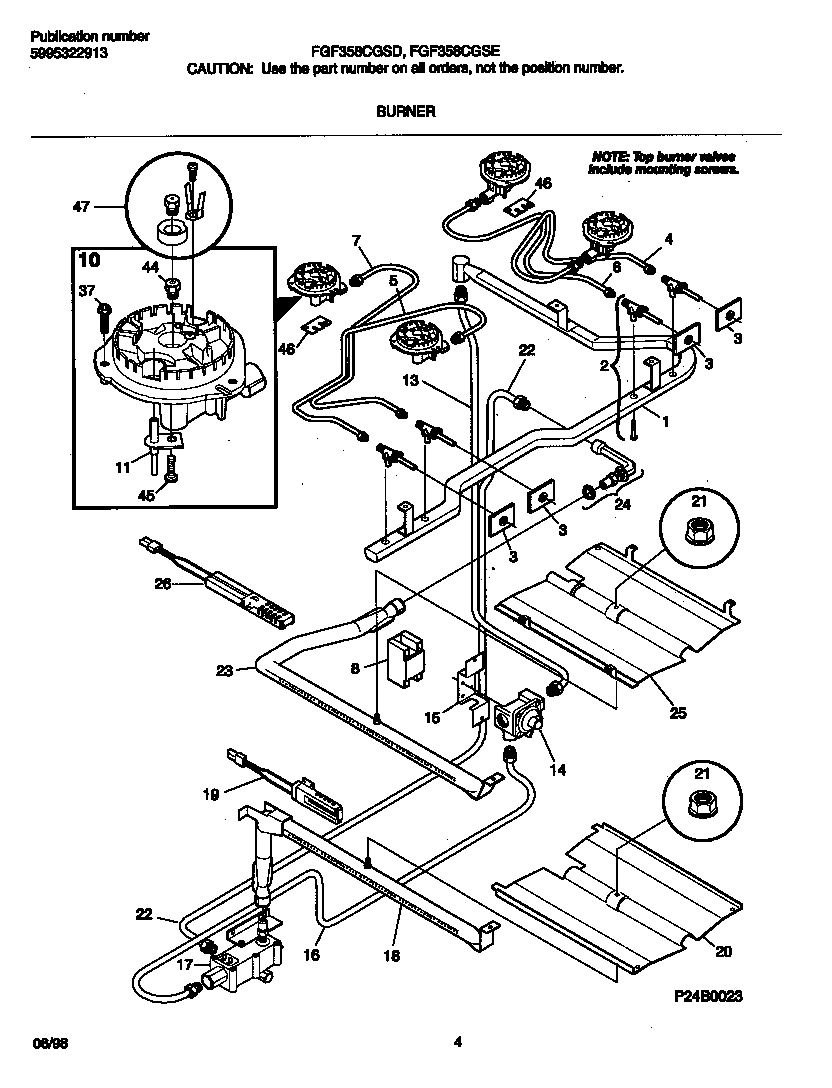
FGF358CGSE 03 – BURNER