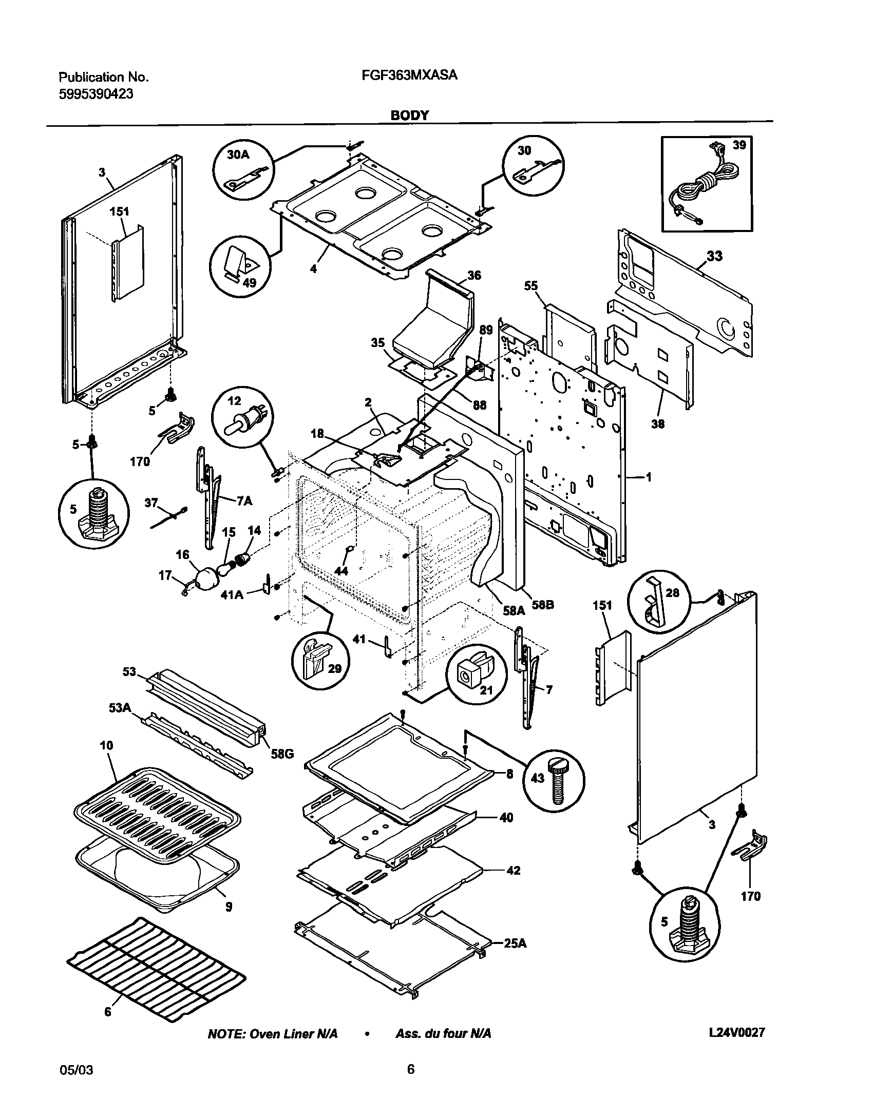
FGF363MXASA 07 – BODY