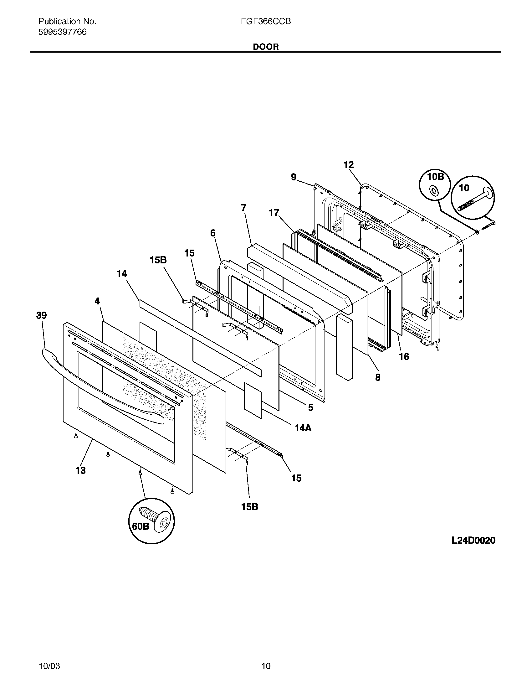
FGF366CCB 11 – DOOR