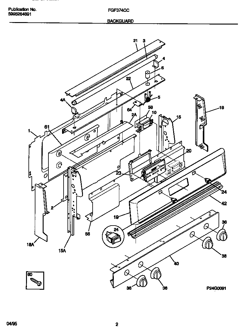
FGF374CCBA 02 – BACKGUARDadmin2025-04-26T10:54:00+00:00FGF374CCBA 02 – BACKGUARD ProductsPositionProduct*23560316021105 Frigidaire Oven Screw*23561WCI 5303281584*23562WCI 3160014201SHIELD-BACKGUARD, REAR WALL2WCI 3160516012WCI 3160538013BULB-FLUOR4RECEPTACLE-FLU LT RH4RECEPTACLE-FLU LT LH5WCI 3160532006STARTER-LAMP10WCI 530305111515WCI 31604910715WCI 31604910618WCI 31602690118WCI 31602690019WCI 31602451720WCI 31602741121WCI 31602490022WCI 31605990323WCI 316060003245304527841 Frigidaire Oven Rocker Switch (Black)36WCI 31604930440WCI 31606236042WCI 31605530156WCI 31607490258WCI 31604340060WCI 530328857461WCI 31605500164WCI 316062400