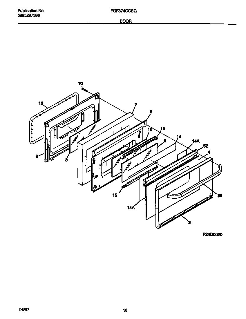
FGF374CCSG 06 – DOOR