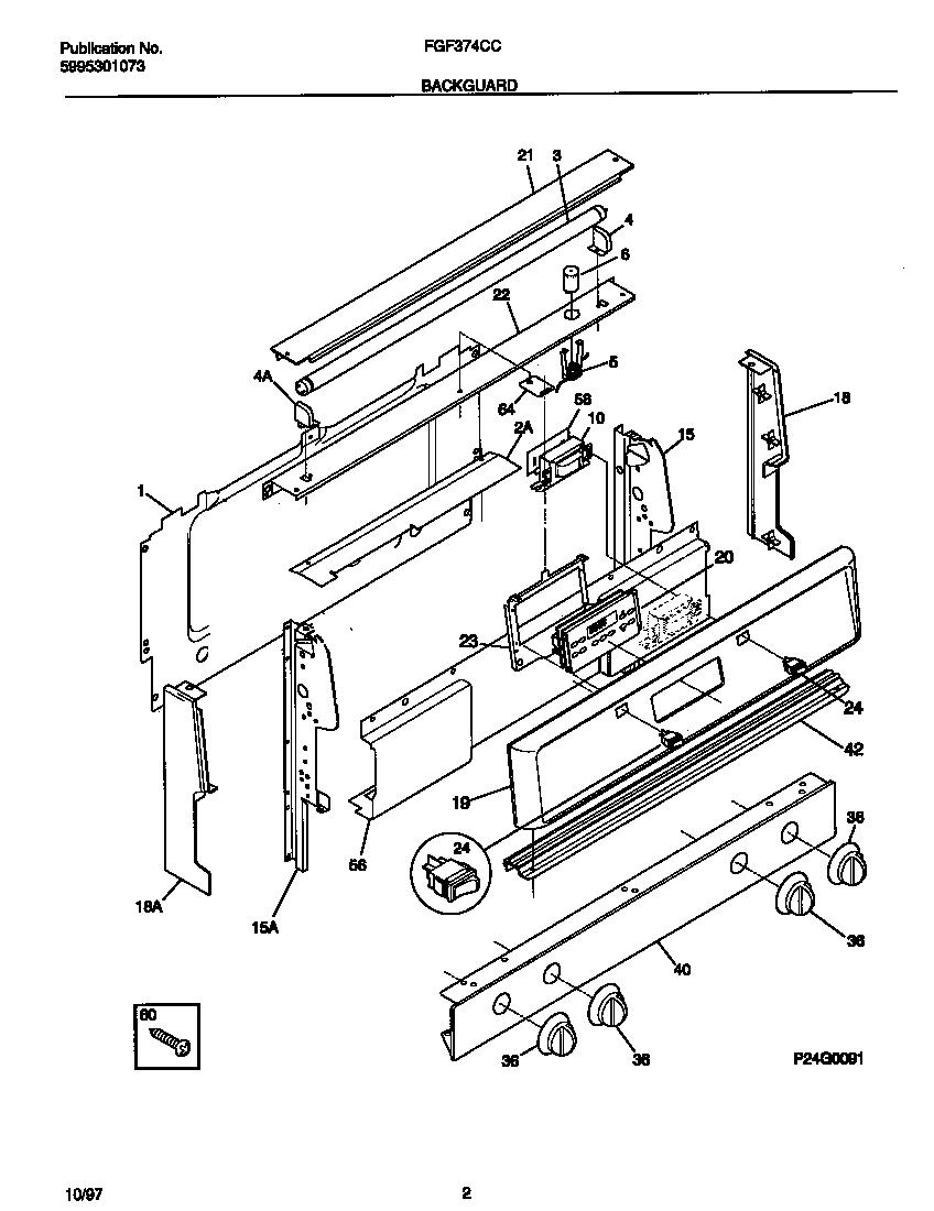
FGF374CCSH 02 – BACKGUARDadmin2025-04-26T10:54:48+00:00FGF374CCSH 02 – BACKGUARD ProductsPositionProduct*85803WCI 316001420*85800316021105 Frigidaire Oven Screw*85801Screw,cup pt ,8-18 x 0.375 ,chrome*85802WCI 53032901881SHIELD-BACKGUARD, REAR WALL2WCI 3160538003BULB-FLUOR4RECEPTACLE-FLU LT RH4RECEPTACLE-FLU LT LH5WCI 3160532006STARTER-LAMP10WCI 31609980015WCI 31604910415WCI 31604910518END CAP, WHITE, LH18END CAP, WHITE, RH19WCI 31602451820WCI 31608001120WCI 31608930621WCI 31602490222WCI 31605990323WCI 316060002245304527842 Frigidaire Rocker Switch36WCI 31604930540WCI 31608682242WCI 31605530056WCI 31607490758WCI 31604340060WCI 530328857464WCI 316062400