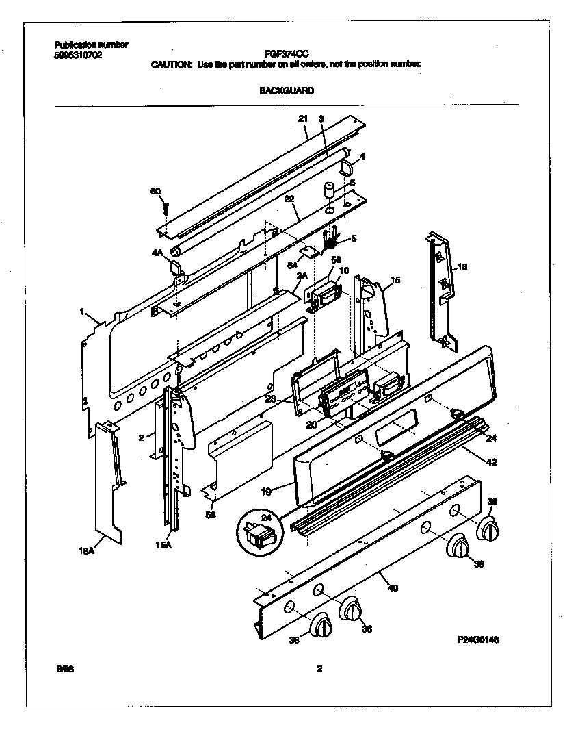
FGF374CCSK 02 – BACKGUARDadmin2025-04-26T10:55:42+00:00FGF374CCSK 02 – BACKGUARD ProductsPositionProduct*56883WCI 316001420*56881316021109 Frigidaire Oven Screw*56880Screw,cup pt ,8-18 x 0.375 ,chrome*56884WCI 3160893061SHIELD-BACKGUARD, REAR WALL2WCI 3160538003BULB-FLUOR4RECEPTACLE-FLU LT RH4RECEPTACLE-FLU LT LH5WCI 3160532006STARTER-LAMP10WCI 31609980015WCI 31604910515WCI 31604910418END CAP, WHITE, RH18END CAP, WHITE, LH19WCI 31602451820WCI 31608001121WCI 31602490222WCI 31605990323WCI 316060002245304527842 Frigidaire Rocker Switch36KNOB-TOP VALVE,WHITE40WCI 31600928542WCI 31605530056WCI 31607490758WCI 31604340060316021105 Frigidaire Oven Screw64WCI 316062400