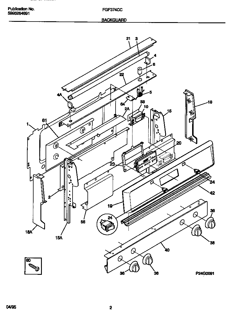
FGF374CCTA 02 – BACKGUARDadmin2025-04-26T10:56:16+00:00FGF374CCTA 02 – BACKGUARD ProductsPositionProduct*23560316021105 Frigidaire Oven Screw*23561WCI 5303281584*23562WCI 3160014201SHIELD-BACKGUARD, REAR WALL2WCI 3160538012WCI 3160516013BULB-FLUOR4RECEPTACLE-FLU LT LH4RECEPTACLE-FLU LT RH5WCI 3160532006STARTER-LAMP10WCI 530305111515WCI 31604910715WCI 31604910618WCI 31602690618WCI 31602690719WCI 31602451920WCI 31602741321WCI 31602490322WCI 31605990323WCI 31606000324SWITCH-ROCKER,OVEN LIGHT ,ALMOND36WCI 31604930640WCI 31606236242WCI 31605530156WCI 31607490258WCI 31604340060WCI 530328857461WCI 31605500164WCI 316062400