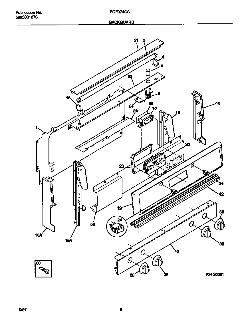
FGF374CCTH 02 – BACKGUARDadmin2025-04-26T10:57:28+00:00FGF374CCTH 02 – BACKGUARD ProductsPositionProduct*85803WCI 316001420*85800316021105 Frigidaire Oven Screw*85801Screw,cup pt ,8-18 x 0.375 ,chrome*85802WCI 53032901881SHIELD-BACKGUARD, REAR WALL2WCI 3160538003BULB-FLUOR4RECEPTACLE-FLU LT RH4RECEPTACLE-FLU LT LH5WCI 3160532006STARTER-LAMP10WCI 31609980015WCI 31604910515WCI 31604910418WCI 31602690718WCI 31602690619WCI 31602451920WCI 31608001120WCI 31608930821WCI 31602490322WCI 31605990323WCI 31606000224SWITCH-ROCKER,OVEN LIGHT ,ALMOND36WCI 31604930640WCI 31608682342WCI 31605530156WCI 31607490758WCI 31604340060WCI 530328857464WCI 316062400