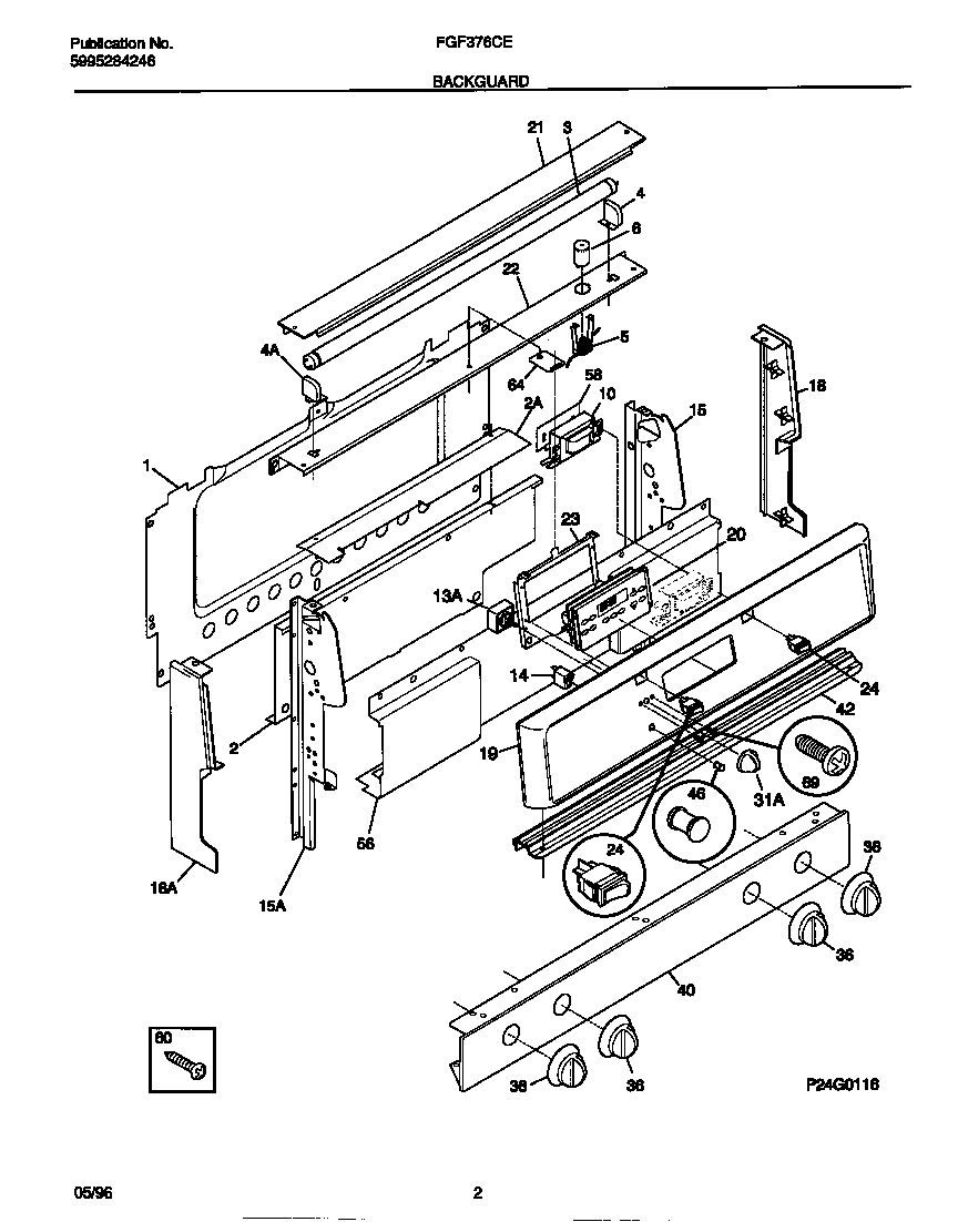
FGF376CEBC 02 – BACKGUARDadmin2025-04-26T10:26:19+00:00FGF376CEBC 02 – BACKGUARD ProductsPositionProduct*15401WCI 316001420*15400Screw,cup pt ,8-18 x 0.375 ,chrome1SHIELD-BACKGUARD, REAR WALL2WCI 3160516012WCI 3160538013BULB-FLUOR4RECEPTACLE-FLU LT RH4RECEPTACLE-FLU LT LH5WCI 3160532006STARTER-LAMP10WCI 5303051115135304508926 Frigidaire Oven Temperature Control Switch14316022500 Frigidaire Oven Warmer Drawer Zone Indicator Light Lamp15WCI 31604910715WCI 31604910618WCI 31602690018WCI 31602690119WCI 31602453620WCI 31602741121WCI 31602490022WCI 31605990323WCI 316060003245304527841 Frigidaire Oven Rocker Switch (Black)31WCI 31609560036WCI 31604930440WCI 31608682142WCI 31605530146318228310 Frigidaire Oven Lens56WCI 31607490258WCI 31604340060316021105 Frigidaire Oven Screw64WCI 316062400