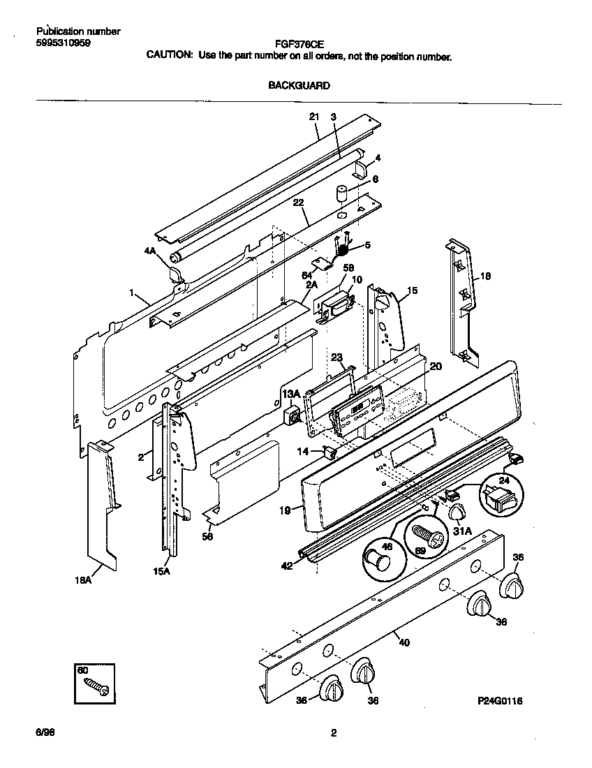
FGF376CEBH 02 – BACKGUARD