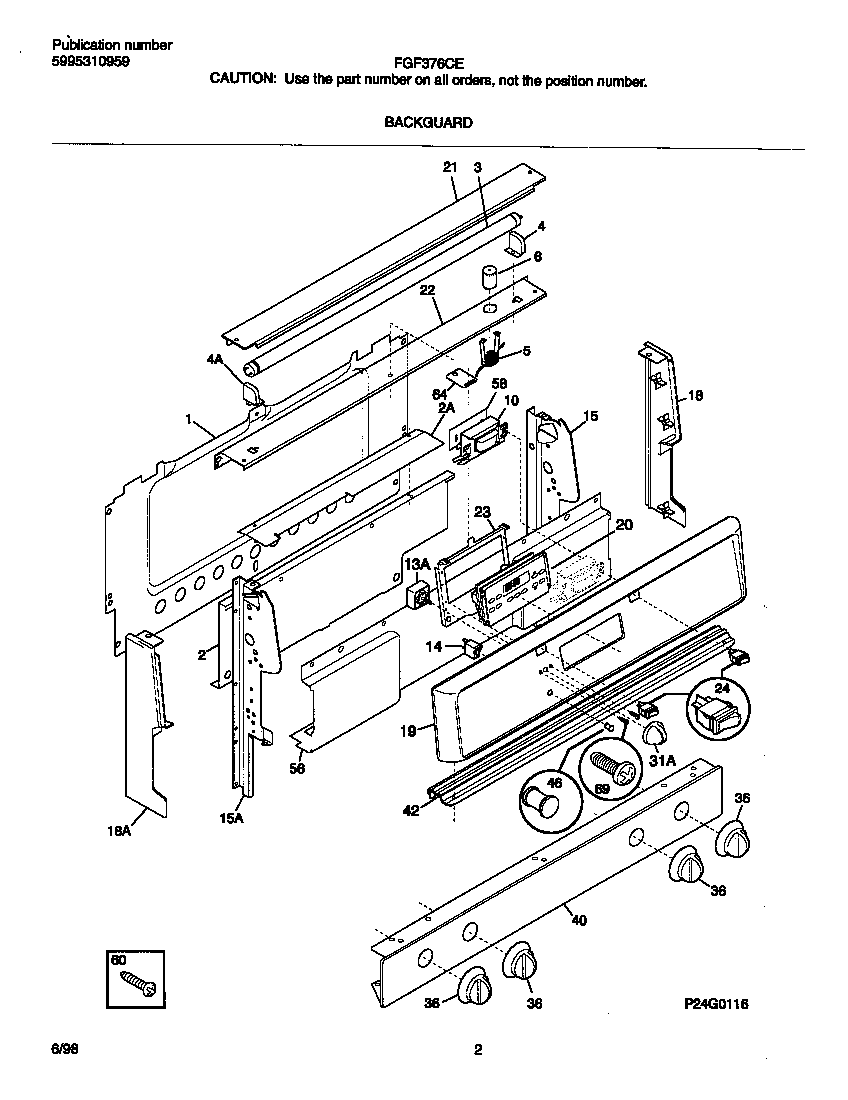
FGF376CEBK 02 – BACKGUARDadmin2025-04-26T10:26:11+00:00FGF376CEBK 02 – BACKGUARD ProductsPositionProduct*43044WCI 316089307*43042WCI 316001420*43041316021109 Frigidaire Oven Screw*43040Screw,cup pt ,8-18 x 0.375 ,chrome1SHIELD-BACKGUARD, REAR WALL2WCI 3160538003BULB-FLUOR4RECEPTACLE-FLU LT LH4RECEPTACLE-FLU LT RH5WCI 3160532006STARTER-LAMP10WCI 316099800135304508926 Frigidaire Oven Temperature Control Switch14316022500 Frigidaire Oven Warmer Drawer Zone Indicator Light Lamp15WCI 31604910515WCI 31604910418WCI 31602690118WCI 31602690019WCI 31602453620WCI 31608001121WCI 31602490022WCI 31605990323WCI 316060002245304527841 Frigidaire Oven Rocker Switch (Black)31WCI 31609560036KNOB-TOP VALVE,BLACK40WCI 31608682142WCI 31605530146318228310 Frigidaire Oven Lens56WCI 31607490758WCI 31604340060A316021105 Frigidaire Oven Screw60BWCI 530328857464WCI 316062400