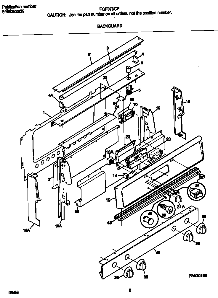
FGF376CETN 02 – BACKGUARDadmin2025-04-26T10:25:43+00:00FGF376CETN 02 – BACKGUARD ProductsPositionProduct*05405WCI 316001420*05400WCI 316081302*05404316112500 Frigidaire Oven Template*05408WCI 316089308*05403WCI 316021117*05401Screw,cup pt ,8-18 x 0.375 ,chrome*05402316021109 Frigidaire Oven Screw1SHIELD-BACKGUARD, REAR WALL2WCI 3160538003BULB-FLUOR4RECEPTACLE-FLU LT RH4RECEPTACLE-FLU LT LH5WCI 3160532006STARTER-LAMP10WCI 316099800135304508926 Frigidaire Oven Temperature Control Switch14316022500 Frigidaire Oven Warmer Drawer Zone Indicator Light Lamp15WCI 31604910515WCI 31604910418WCI 31602690618WCI 31602690719WCI 31602453520WCI 31608001121WCI 31602490322WCI 31605990323WCI 31606000224SWITCH-ROCKER,OVEN LIGHT ,ALMOND31WCI 31609560236KNOB-TOP VALVE, ALMOND40WCI 31608682342WCI 31605530146318228310 Frigidaire Oven Lens56WCI 31607490758WCI 31604340064WCI 316062400