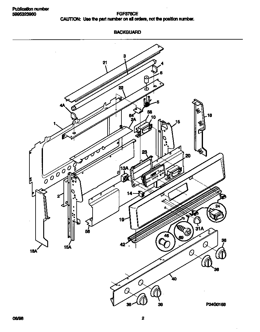
FGF376CETP 02 – BACKGUARDadmin2025-04-26T10:26:01+00:00FGF376CETP 02 – BACKGUARD ProductsPositionProduct*00124WCI 316105822*00125316112500 Frigidaire Oven Template*00120WCI 316081301*00129WCI 316089308*00126WCI 316001420*00123WCI 316021117*00121Screw,cup pt ,8-18 x 0.375 ,chrome*00122316021109 Frigidaire Oven Screw1SHIELD-BACKGUARD, REAR WALL2WCI 3160538003BULB-FLUOR4RECEPTACLE-FLU LT RH4RECEPTACLE-FLU LT LH5WCI 3160532006STARTER-LAMP10WCI 31609980014316022500 Frigidaire Oven Warmer Drawer Zone Indicator Light Lamp15WCI 31604910515WCI 31604910418WCI 31602690718WCI 31602690619WCI 31602453520WCI 31608001121WCI 31602490322WCI 31605990323WCI 31606000224WCI 31611810231WCI 31609560236KNOB-TOP VALVE, ALMOND40WCI 31608682342WCI 31605530146318228310 Frigidaire Oven Lens545304508926 Frigidaire Oven Temperature Control Switch56WCI 31607490758WCI 31604340064WCI 316062400