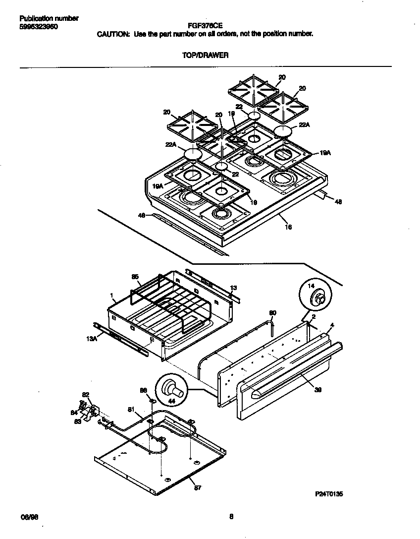
FGF376CETP 05 – TOP/DRAWERadmin2025-04-26T10:26:50+00:00FGF376CETP 05 – TOP/DRAWER
Products
| Position | Product |
|---|
| *00138 | WCI 316001917 |
| *00143 | WCI 5303280311 |
| *00139 | Screw,cup pt ,8-18 x 0.375 ,chrome |
| *00140 | 316021109 Frigidaire Oven Screw |
| 1 | WCI 316115901 |
| 2 | WCI 316092901 |
| 4 | WCI 316056202 |
| 13 | 318259507 Frigidaire Oven Glide |
| 13 | 318259506 Frigidaire Oven Glide |
| 14 | WCI 3206216 |
| 16 | WCI 5303307710 |
| 19 | WCI 316011414 |
| 19 | Pan-burner,large ,almond |
| 20 | GRATE,GRAY ,(4) |
| 21 | CAP-BURNER,LARGE ,GLOSS GRAY |
| 21 | Cap-burner,small ,gray ,(4) |
| 39 | WCI 316026107 |
| 44 | 3131903 Frigidaire Door/Drawer Bumper |
| 48 | Shield,deflector ,main top panel ,(2) |
| 80 | WCI 316109700 |
| 81 | WCI 316093100 |
| 82 | 316093200 Frigidaire Bracket |
| 83 | WCI 316093300 |
| 84 | WCI 316093500 |
| 85 | 807328301 Frigidaire Oven Rack |
| 86 | 316095800 Frigidaire Oven Clip |
| 87 | WCI 316091900 |