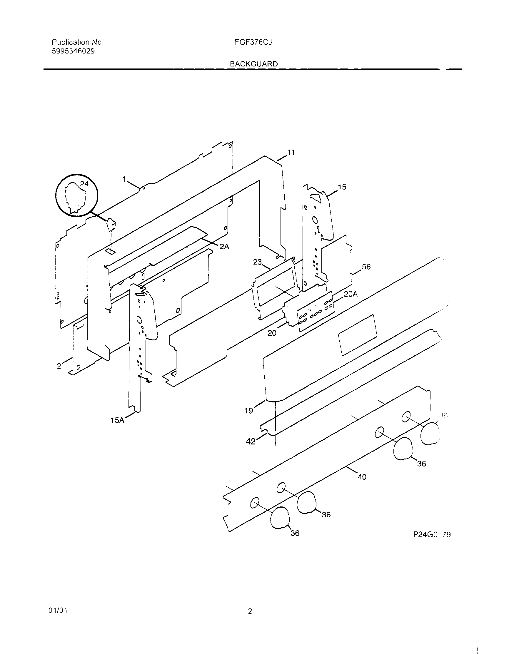
FGF376CJSB 03 – BACKGUARD