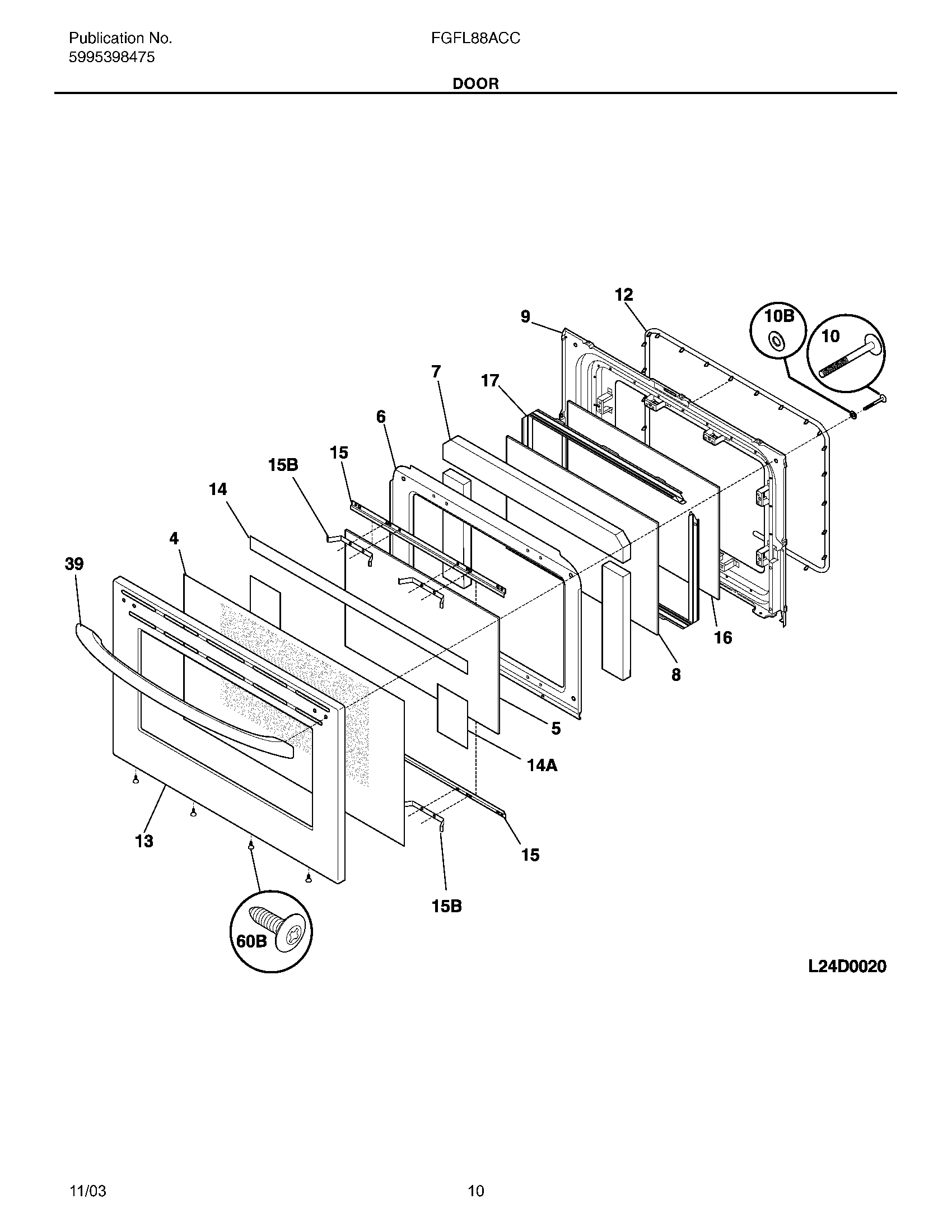
FGFL88ACC 11 – DOOR