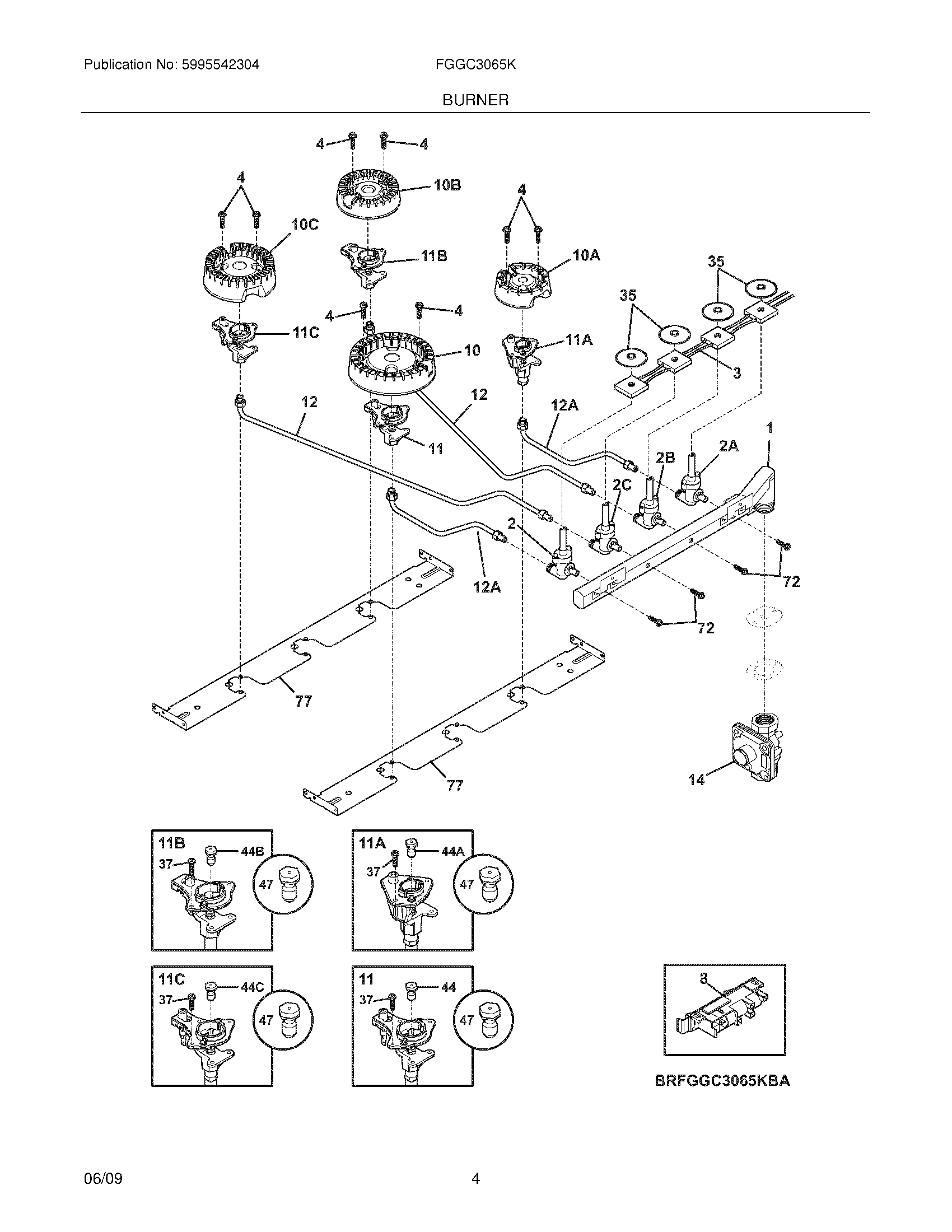
| NI | 5300803416 Frigidaire Dishwasher Screw |
| NI | 5303211311 Frigidaire Refrigerator Screw |
| NI | 5303323140 Frigidaire Oven Screw |
| NI | WCI 318199779 |
| NI | WCI 318024201 |
| NI | 5304480396 Frigidaire Screw |
| 1 | WCI 318177012 |
| 2B | WCI 318233910 |
| 2A | 318233900 Frigidaire Oven Valve |
| 2 | WCI 318233940 |
| 2C | WCI 318233920 |
| 3 | 318232645 Frigidaire Wiring Harness |
| 4 | 316240600 Frigidaire Igniter Mounting Screw |
| 8 | 5304505695 Frigidaire Oven Module |
| 10B | 316558300 Frigidaire Oven 9.5L Sealed Burner |
| 10C | 316438000 Frigidaire Sealed Burner 12K Assembly |
| 10 | 316438400 Frigidaire Range Sealed Burner, 16/17K |
| 10A | 316438200 Frigidaire Range Sealed Burner, 5K |
| 11B | 316540700 Frigidaire Igniter/Orifice Assembly |
| 11C | 316540702 Frigidaire Igniter/Orifice Assembly |
| 11 | 316543203 Frigidaire Igniter Orifice Assembly |
| 11A | 316540800 Frigidaire Igniter/Orifice Assembly |
| 12 | TUBE, BURNER, LF & LR, (2) |
| 12A | WCI 318560702 |
| 14 | WCI 318122712 |
| 35 | WCI 318146301 |
| 37 | 5303323130 Frigidaire Oven Screw |
| 44C | 316527502 Frigidaire Oven Orifice |
| 44 | 316527509 Frigidaire Oven 18.2K Burner Orifice |
| 44A | 316527504 Frigidaire Oven Orifice |
| 44B | 316527500 Frigidaire Oven Burner Orifice |
| 47 | CONVERSION KIT, LP |
| 72 | 316215600 Frigidaire Oven Screw |
| 77 | WCI 318564100 |