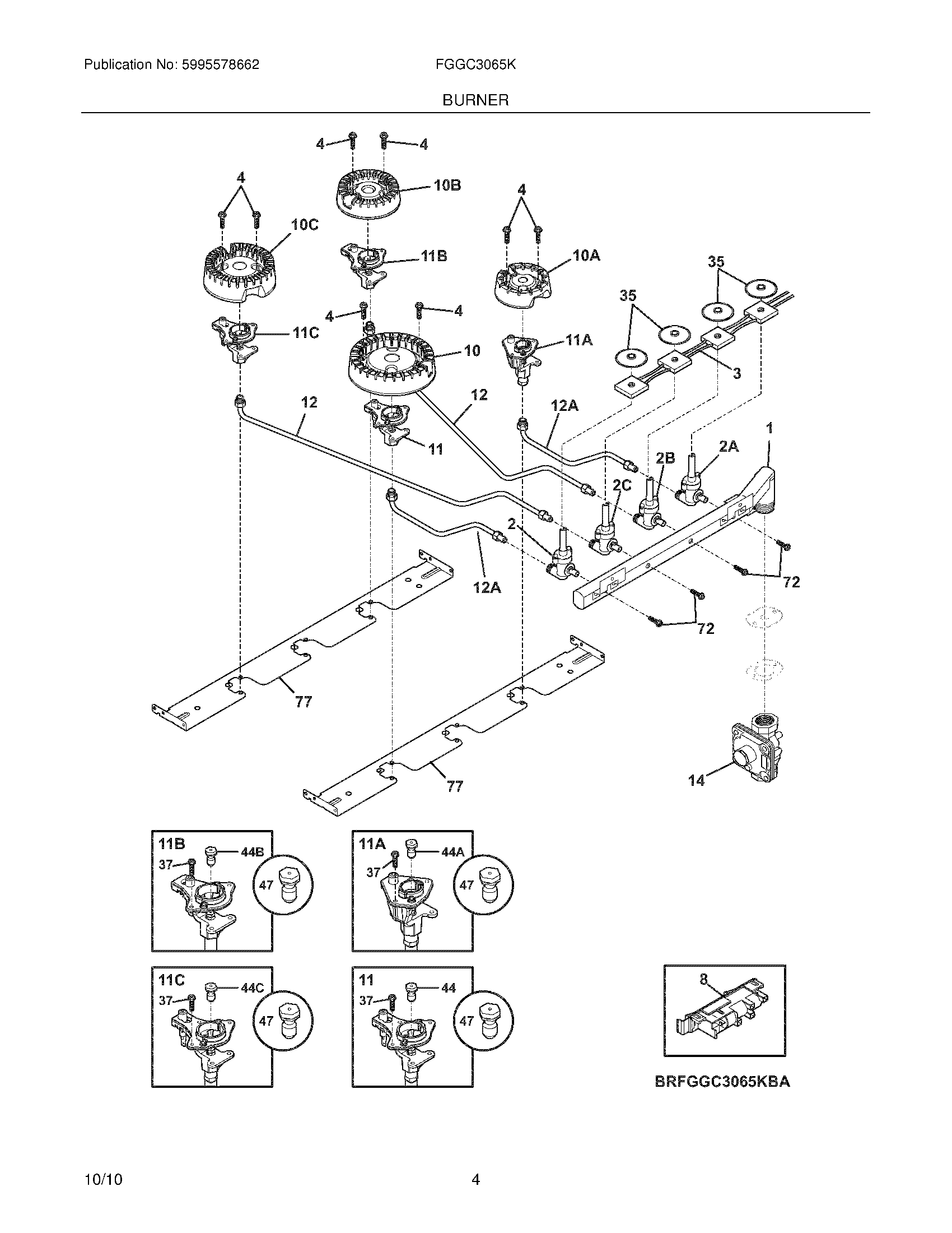
FGGC3065KBB 05 – BURNER