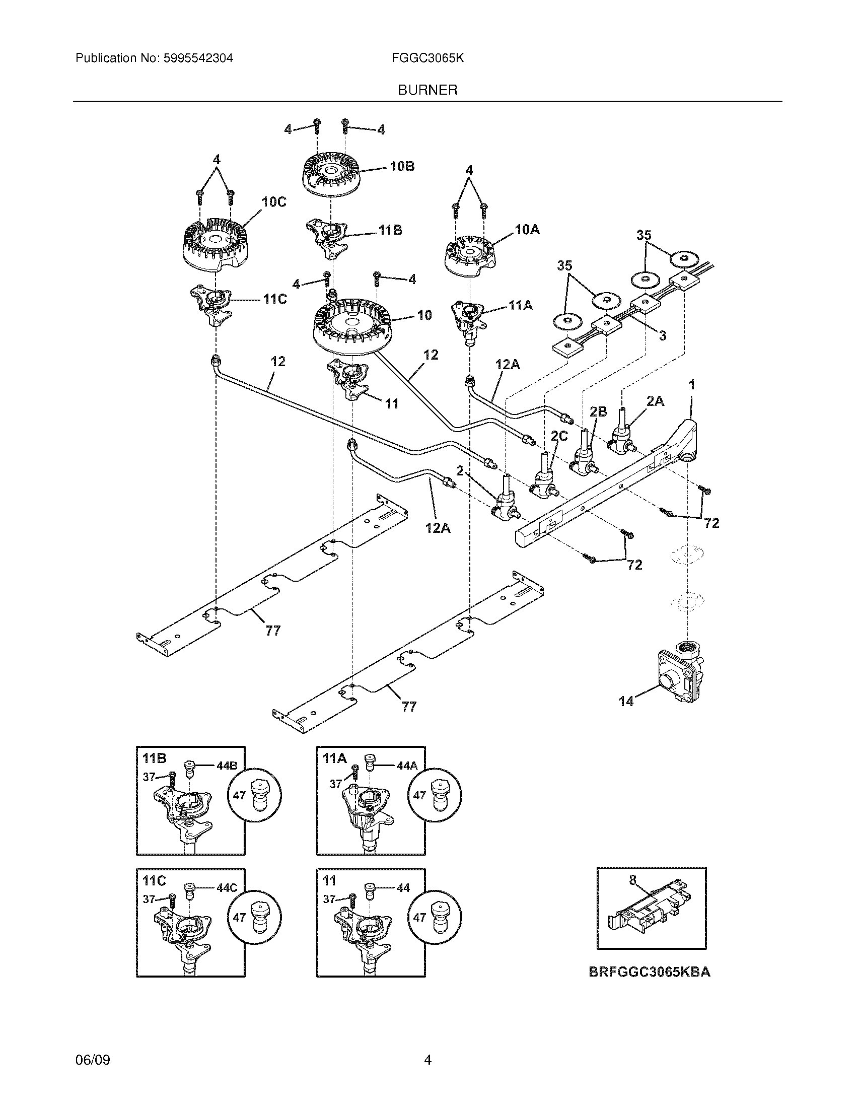
FGGC3065KSA 05 – BURNER