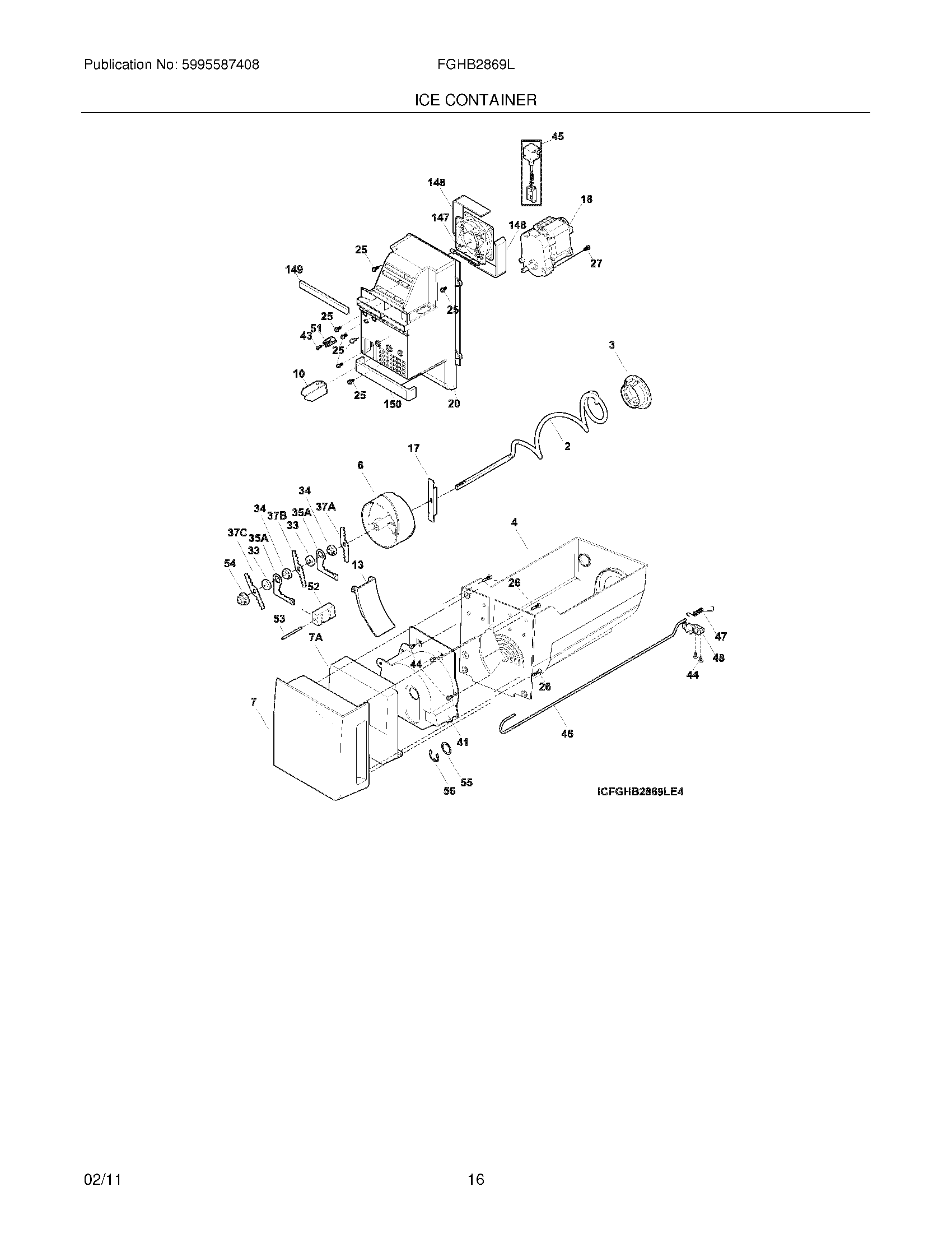
FGHB2869LF4 15 – ICE CONTAINER