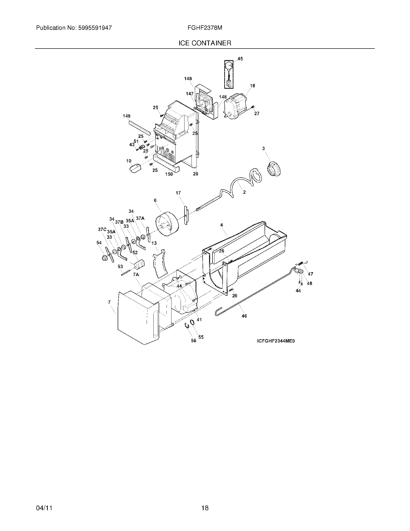
FGHF2378ME0 15 – ICE CONTAINER