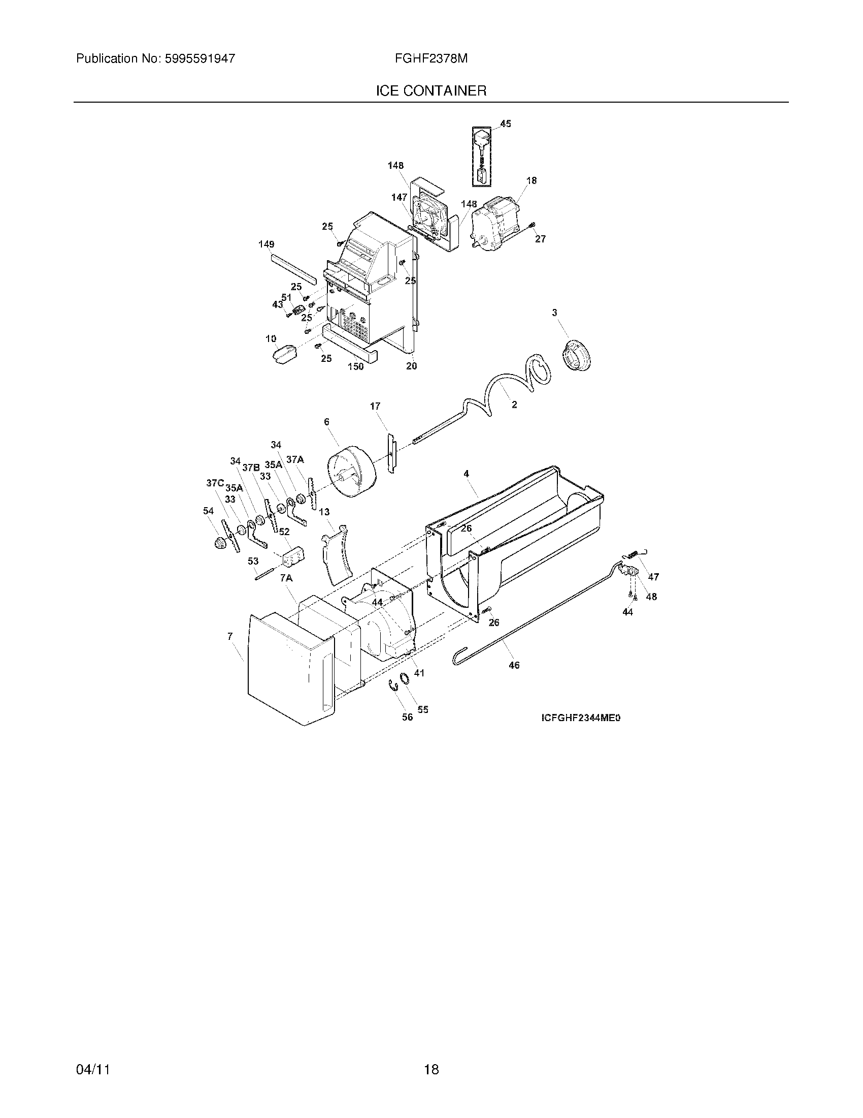
FGHF2378MP0 15 – ICE CONTAINERadmin2025-04-26T09:16:33+00:00FGHF2378MP0 15 – ICE CONTAINER ProductsPositionProductNI242100106 Frigidaire Refrigerator Ice Container AssemblyNI242095804 Frigidaire Refrigerator Wiring Harness2WCI 2419523013CAM-DRIVE4WCI 2421002016241829802 Frigidaire Drum Ice Dispenser7COVER, BUCKET FRONT7AINSULATION, I/CONTAINER FRT10241829001 Frigidaire Refrigerator Bar Drive13242106201 Frigidaire Refrigerator Gate17DRIVE BLADE18241816602 Frigidaire Refrigerator Motor-AUGER20242095702 Frigidaire Refrigerator Air Handler Housing25240555002 Frigidaire Refrigerator Screw #8-32 X 3/826242015001 Frigidaire Refrigerator Screw33241684802 Frigidaire Refrigerator Spacer34241689802 Frigidaire Refrigerator Spacer35AFIXED BLADE, ROUND37ABLADE, CRUSHER #137BBLADE, CRUSHER #237CBLADE, CRUSHER #341242093301 Frigidaire Refrigerator Crusher Housing43241641502 Frigidaire Refrigerator Screw445304453707 Frigidaire Oven Screw45241675704 Frigidaire Refrigerator Solenoid Assembly46WCI 24212370247WCI 24183900248241830101 Frigidaire Refrigerator Bracket-Control51242095501 Frigidaire Refrigerator Anti-Twist Buck Pin52SPACER-FIXED BLADES53241869601 Frigidaire Refrigerator Pin54241829601 Frigidaire Refrigerator Nut-Auger55241690306 Frigidaire Refrigerator Washer56241690201 Frigidaire Refrigerator E-Ring1475304493604 Frigidaire Refrigerator Gasket & Fan Kit148242095406 Frigidaire Refrigerator Gasket1495303918784 Frigidaire Refrigerator Air Handler Housing