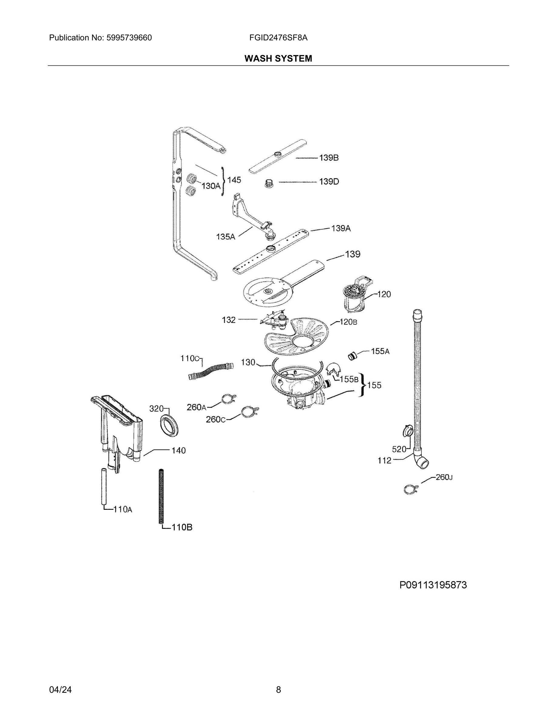
FGID2476SF8A 09 – WASH SYSTEMadmin2025-04-26T10:37:23+00:00FGID2476SF8A 09 – WASH SYSTEM ProductsPositionProduct*SCREW, SUMP, 4 X 15, (4), & SPRAY ARM110A807526501 Frigidaire Dishwasher Tubing Assembly110B117281425 Frigidaire Dishwasher Hose110CA01256402 Frigidaire Dishwasher Hose112807032601 Frigidaire Dishwasher Hose120A00201409 Frigidaire Dishwasher Drain Filter120B808429704 Frigidaire Dishwasher Filter130AA00045701 Frigidaire Dishwasher Seal130111918600 Frigidaire Dishwasher O-Ring132A11243702 Frigidaire Dishwasher Spray Arm135AA00060305 Frigidaire Dishwasher Duct Assembly139D807035801 Frigidaire Wash Arm Bearing139B807382106 Frigidaire Dishwasher Upper Spray Arm139AA05814602 Frigidaire Dishwasher Spray Arm139111920868 Frigidaire Lower Wash Arm140A01087405 Frigidaire Dishwasher Water Tank145A00023201 Frigidaire Dishwasher Spray Arm Manifold155#5304520660 Frigidaire Dishwasher Sump Assembly155AA00053601 Frigidaire Dishwasher Flapper155B111917701 Frigidaire Dishwasher Screen260J807868901 Frigidaire Dishwasher Clamp260C807868903 Frigidaire Dishwasher Clamp260A807868902 Frigidaire Dishwasher Clamp320152627221 Frigidaire Dishwasher GRILL520807201901 Frigidaire Dishwasher Flange