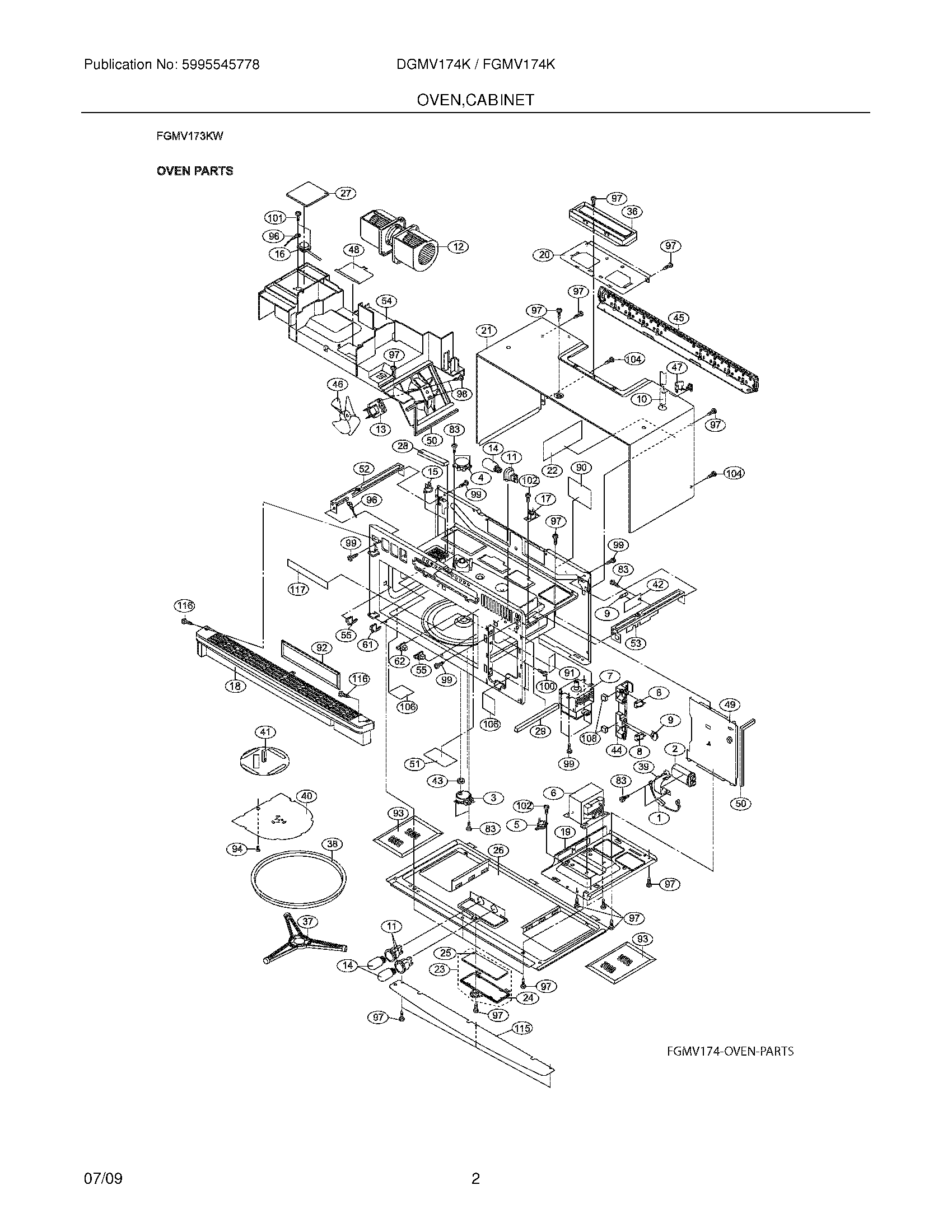
FGMV174KFA 03 – OVEN/CABINETadmin2025-04-26T09:06:34+00:00FGMV174KFA 03 – OVEN/CABINET ProductsPositionProduct15304467670 Frigidaire Microwave Rectifier25304467671 Frigidaire Microwave Capacitor35304440021 Frigidaire Microwave Oven Turntable Drive Motor4WCI 530444002255304440023 Frigidaire Microwave Thermal Cutout6WCI 530446815675304463439 Frigidaire Microwave Magnetron Assembly85304493153 Frigidaire Microwave Door Switch95304467695 Frigidaire Microwave Switch105304440028 Frigidaire Microwave Power Cord115303319561 Frigidaire Microwave Lamp Socket12WCI 5304440029135304493152 Frigidaire Microwave Motor145304440031 Frigidaire Microwave 20W 125V Medium Light Bulb15WCI 530444003216Sensor,humidity ,cook control175303319550 Frigidaire Microwave Fuse18WCI 530447379619WCI 530447379720WCI 530446816221WCI 530446816422WCI 530447379823WCI 530331957324WCI 530331957425WCI 530331957526WCI 530447380027WCI 530446817028WCI 530446817329WCI 5304451500365304464343 Frigidaire Microwave Assembly Damper375304467717 Frigidaire Microwave Glass Tray Support385304440285 Frigidaire Microwave Glass Tray39WCI 530446817440WCI 530446817541WCI 5304468176425304492543 Frigidaire Microwave Electronic Noise Filter435304467718 Frigidaire Microwave Bushing44WCI 5304440289455304468135 Frigidaire Microwave Bracket46WCI 530446817747WCI 530446772148WCI 530446817849WCI 530446817950WCI 530446818051WCI 530446772752WCI 530446818153WCI 530446818254WCI 530446818355WCI 5304467733615304467762 Frigidaire Microwave Support62WCI 5304467763835304451550 Frigidaire Screw905304467770 Frigidaire Microwave Label91WCI 5304468187925304440335 Frigidaire Charcoal Filter935303319568 Frigidaire Microwave Grease Filter Aluminum945304467773 Frigidaire Microwave Clip96WCI 5304467828975304467777 Frigidaire Microwave Screw975304502863 Frigidaire Microwave Screw985304462315 Frigidaire Microwave Screw995304467780 Frigidaire Microwave Screw1005303319641 Frigidaire Screw101WCI 5304467778102WCI 5304467781104WCI 5304451557106WCI 5304468191108WCI 5304467769115WCI 53044738031165304467710 Frigidaire Microwave Screw117WCI 5304473805