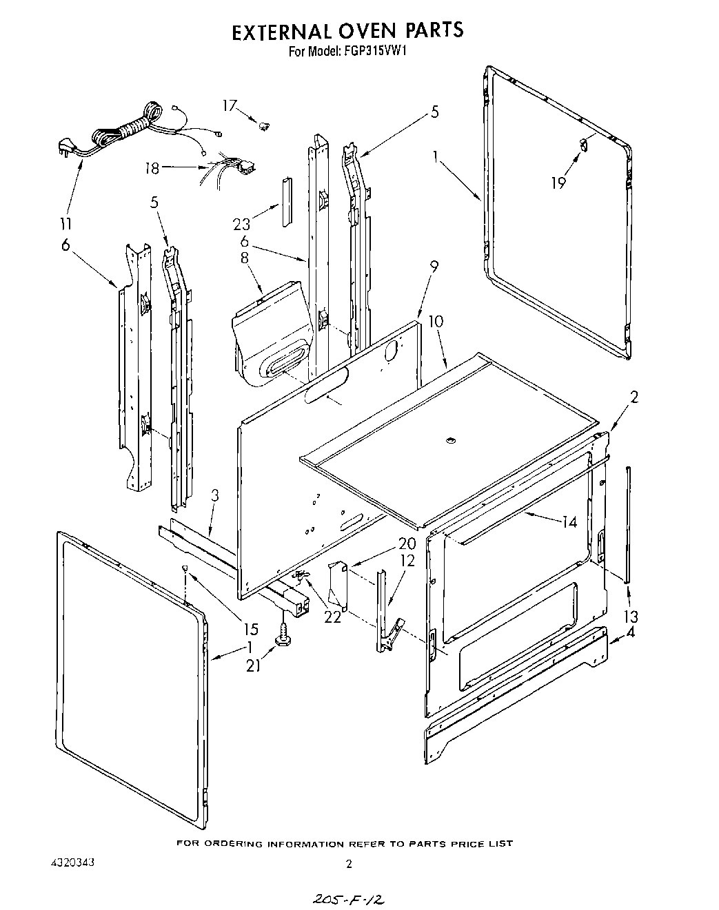
FGP315VW1 02 – EXTERNAL OVEN