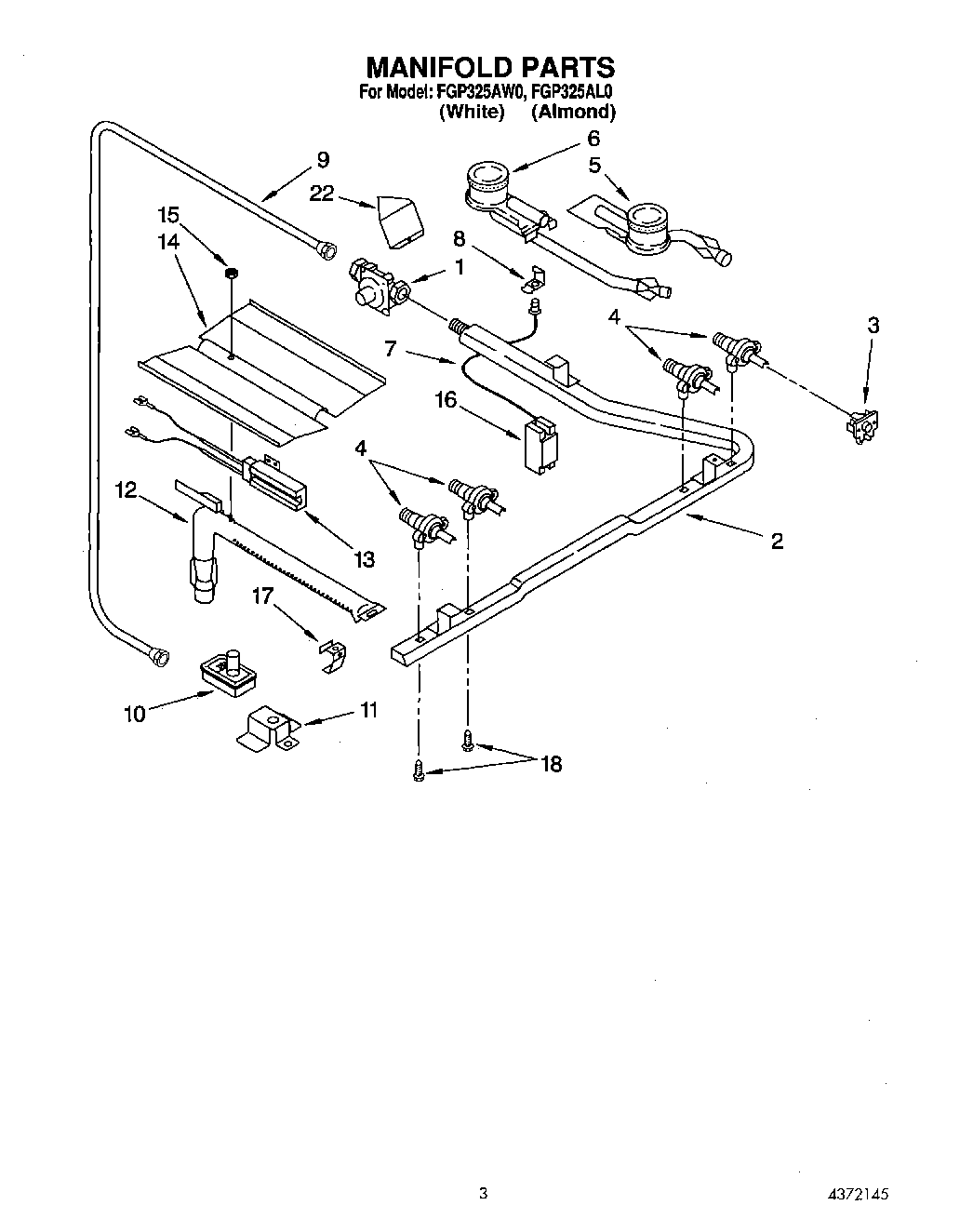
| 1 | Panel, Manifold |
| 2 | Pipe, Manifold |
| 3 | Switch, Ignitor (4) |
| 4 | Valve, 2 pos (4) Includes Illus. 18 |
| 5 | Burner, Front (2) |
| 6 | Burner, Rear (2) |
| 7 | Ignitor, Top Burner |
| 8 | Retainer, Ignitor |
| 9 | Tubing, Alum 3/8 |
| 10 | Valve, Safety |
| 11 | Bracket, Valve |
| 12 | Burner, Oven |
| 13 | 814269 Whirlpool Oven Flat Igniter |
| 14 | Baffle, Oven Burner |
| 15 | Nut, Hex (2) |
| 16 | Module, Spark |
| 17 | Bracket, Burner |
| 18 | WP3186217 Whirlpool Screw |
| 22 | Shield, Ignitor |