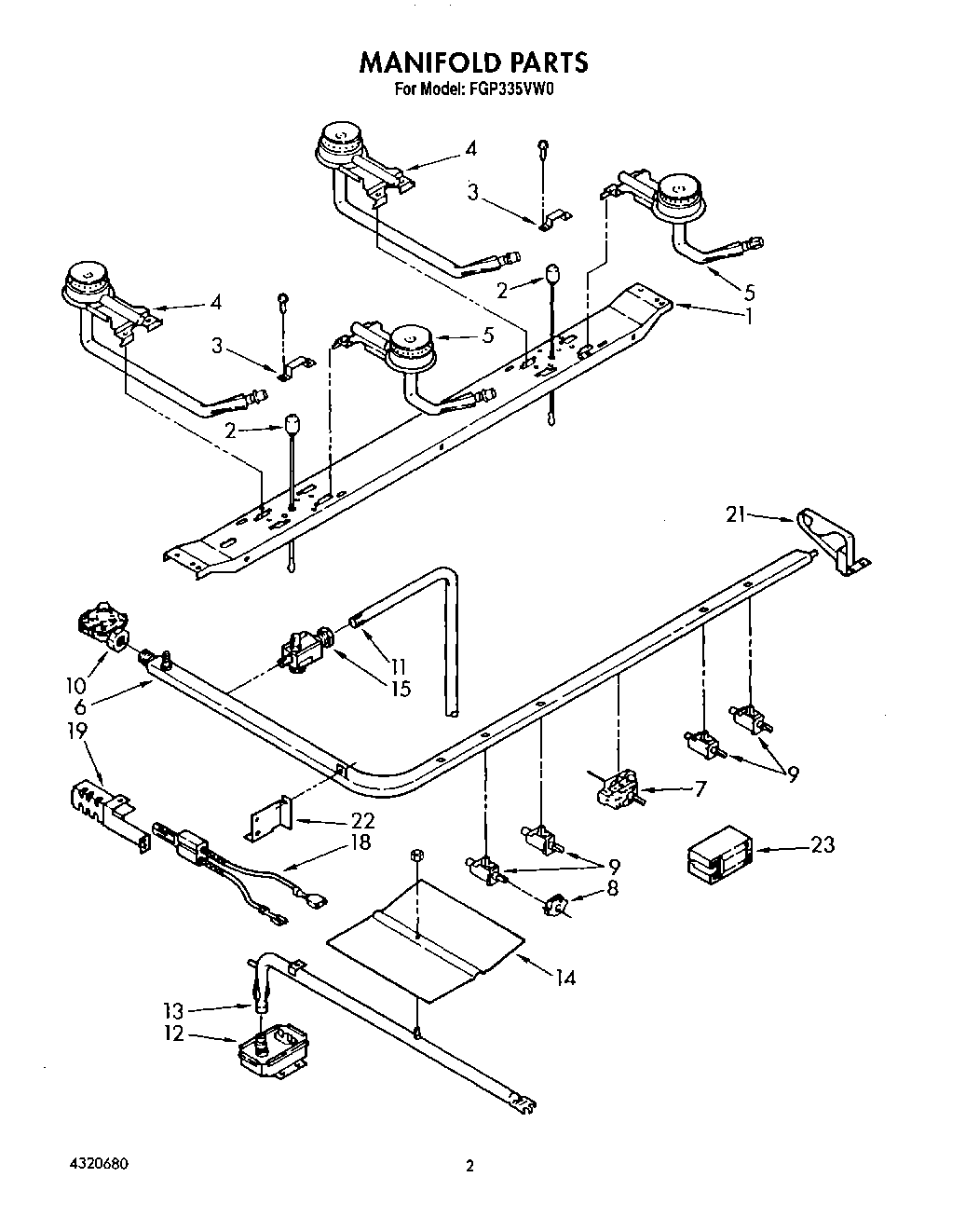
| 1 | Support, Burner |
| 2 | Ignitor (L.H.) |
| 2 | Ignitor (R.H.) |
| 3 | Screw |
| 3 | Bracket, Spark Ignitor (2) |
| 4 | Burner, Rear (2) |
| 5 | Burner, Front (2) |
| 6 | Pipe, Manifold |
| 6 | Screw, Mounting |
| 7 | Thermostat |
| 8 | WP4157180 Whirlpool Surface Burner Ignition Switch |
| 9 | Valve, 90~ (4) (Includes Ill. No. 33) |
| 10 | Regulator, Pressure |
| 11 | Tubing 3/8`` |
| 12 | WP308685 Whirlpool Microwave Screw |
| 12 | Valve, Safety |
| 13 | Burner, Oven |
| 14 | W10080180 Whirlpool Nut |
| 14 | Spreader, Flame |
| 15 | Valve, Shut Off |
| 18 | Pilot |
| 19 | Bracket, Ignitor |
| 21 | Support, Manifold (R.H.) |
| 22 | Support, Manifold (L.H.) |
| 23 | Module, Spark |
| 23 | Plate, Spark Module |