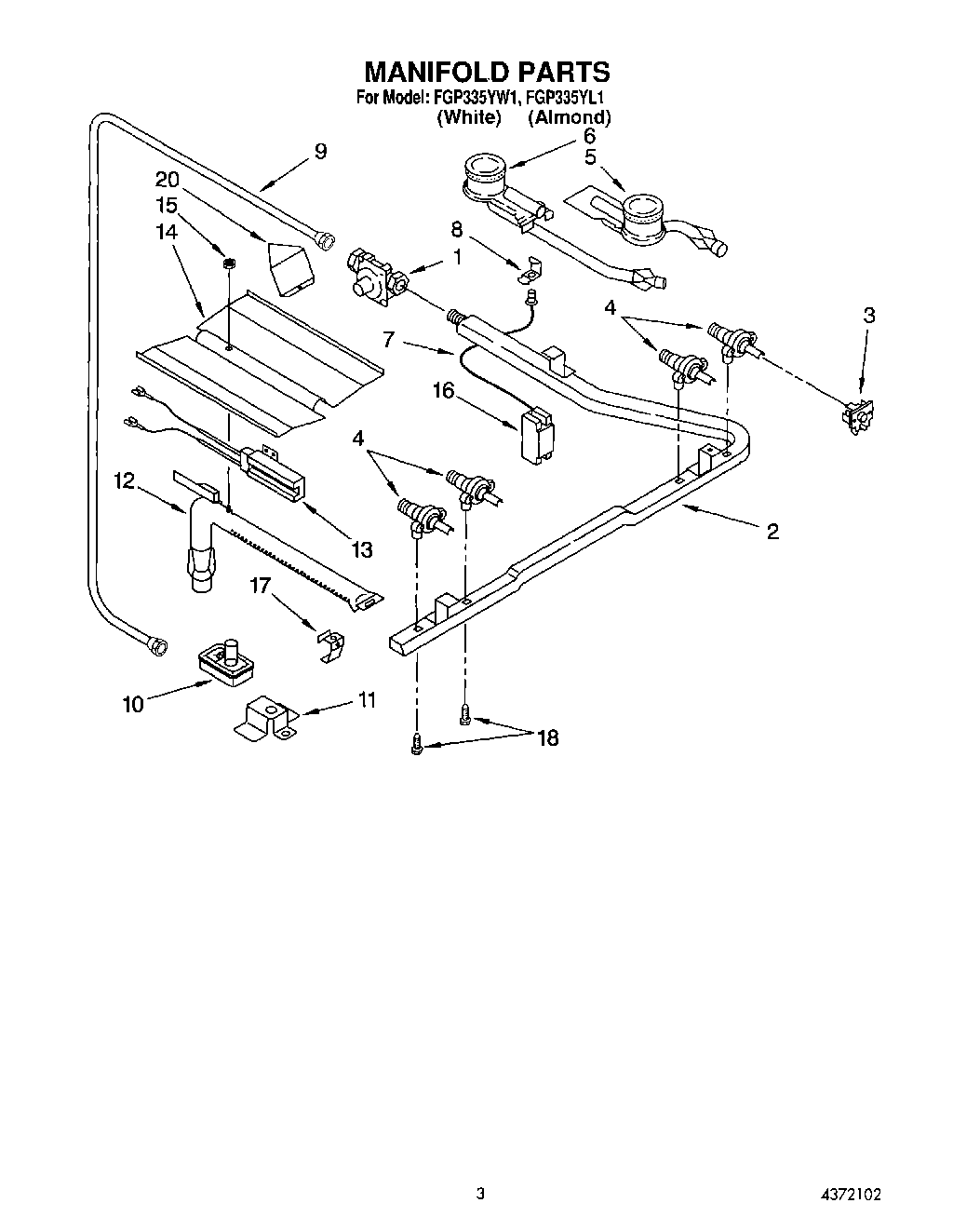
FGP335YW1 02 – SECTION